EasyManua.ls Logo

Intel 386 - Configuration of DMA, Bus Arbiter, and Refresh Unit

Intel 386
691 pages
Print Icon
To Next Page IconTo Next Page
To Next Page IconTo Next Page
To Previous Page IconTo Previous Page
To Previous Page IconTo Previous Page
Loading...
5-5
DEVICE CONFIGURATION
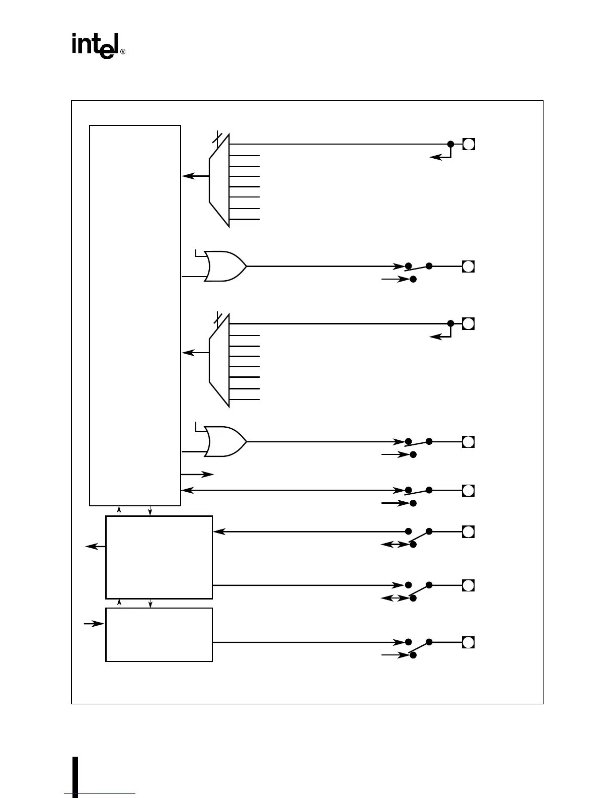
Figure 5-2. Configuration of DMA, Bus Arbiter, and Refresh Unit
A2516-02
DREQ0
DMAACK0#
DREQ1
DMAACK1#
DMAINT
DMA
Bus Arbiter
Refresh Unit
HOLD
HLDA
REFRESH#
RBFDMA1 (SIO1 )
TXEDMA0 (SIO0)
SSRBF (SSIO)
DRQ0
(DCD1#)
To SIO1
DRQ1
(RXD1)
To SIO1
DACK0#
(CS5#)
DMACFG.3
From CSU
DACK1#
(TXD1)
DMACFG.7
From SIO1
DMACFG.6:4
3
DMACFG.2:0
PINCFG.4
PINCFG.2
EOP#
(CTS1#)
From SIO1
PINCFG.3
HOLD
(P1.6)
To/From I/O Port 1
P1CFG.6
HLDA
(P1.7)
To/From I/O Port 1
P1CFG.7
REFRESH#
(CS6#)
From CSU
PINCFG.6
3
Alternate pin signals are in parentheses.
End of Process
OUT2 (TCU)
RBFDMA0 (SIO0)
TXEDMA1 (SIO1)
SSTBE (SSIO)
0
1
2
3
4
5
6
7
RBFDMA0 (SIO0)
TXEDMA1 (SIO1)
SSTBE (SSIO)
OUT1 (TCU)
RBFDMA1 (SIO1)
TXEDMA0 (SIO0)
SSRBF (SSIO)
0
1
2
3
4
5
6
7
1
0
1
0
1
0
0
1
0
1
0
1
To ICU
To
Core
HOLD
From
Core
HLDA

Table of Contents

Related product manuals