EasyManua.ls Logo

Intel 386 - Intel386 EX Embedded Processor Block Diagram

Intel 386
691 pages
Print Icon
To Next Page IconTo Next Page
To Next Page IconTo Next Page
To Previous Page IconTo Previous Page
To Previous Page IconTo Previous Page
Loading...
Intel386™ EX EMBEDDED MICROPROCESSOR USERS MANUAL
2-2
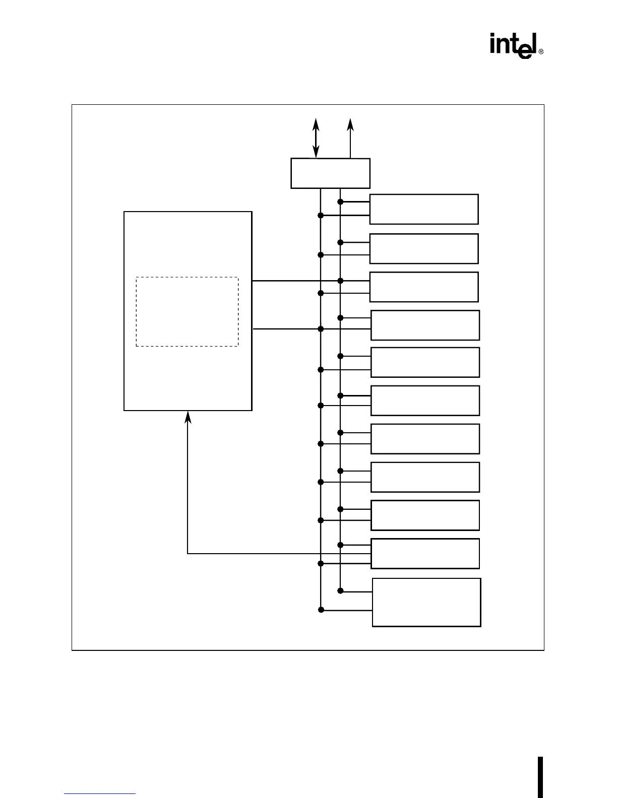
Figure 2-1. Intel386™ EX Embedded Processor Block Diagram
A2849-02
JTAG Unit
Clock and Power
Management Unit
DRAM Refresh
Control Unit
Watchdog Timer Unit
Bus Monitor
Asynchronous Serial I/O
2 channels
(16450 compatible)
Synchronous Serial I/O
1 channel, full duplex
Timer/counter Unit
3 channels
(82C54 compatible)
I/O Ports
Data
Address
Bus Interface
Unit
Intel386
CX Core
Core Enhancements
- A20 Gate
- CPU Reset
- SMM
Chip-select
Unit
Interrupt Control Unit
DMA Controller
2 channels
(8237A compatible)
and Bus Arbiter Unit
INTR
Address
Data

Table of Contents

Related product manuals