EasyManua.ls Logo

Intel 386 - Watchdog Timer Unit Operation

Intel 386
691 pages
Print Icon
To Next Page IconTo Next Page
To Next Page IconTo Next Page
To Previous Page IconTo Previous Page
To Previous Page IconTo Previous Page
Loading...
Intel386™ EX EMBEDDED MICROPROCESSOR USERS MANUAL
17-2
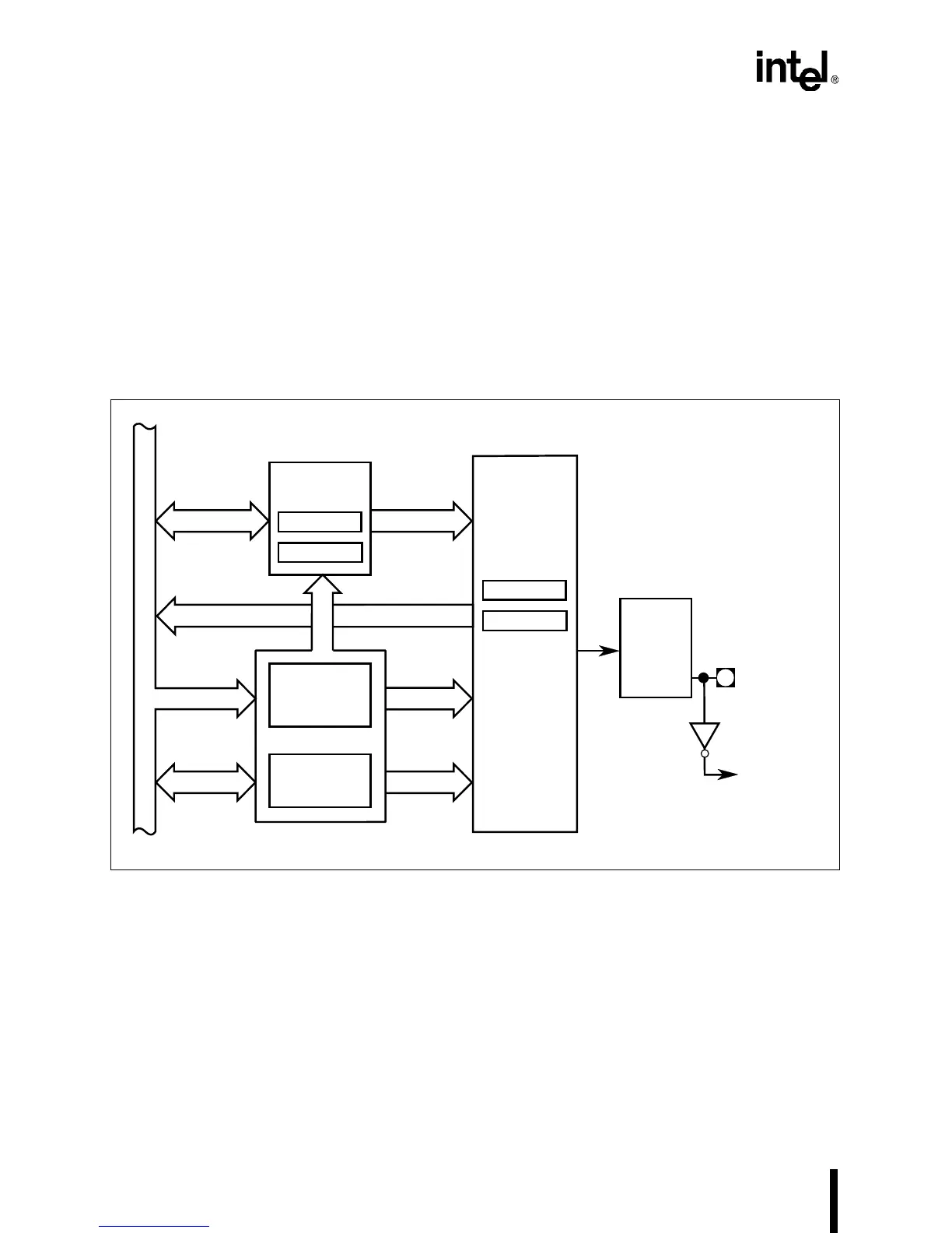
READY#). In bus monitor mode, the ADS# signal from the bus interface unit (BIU) reloads the
down-counter and the READY# signal stops it. The READY# signal can be generated either ex-
ternally or internally, using the WDTRDY bit in the PWRCON register (Figure 17-5). If this bit
is deasserted, then an external READY# is required to terminate the cycle when the WDT times
out (WDTOUT is asserted) in Bus Monitor mode. In this case, if a READY# is never generated
by external logic, the processor hangs (since the bus cycle never terminates). If the WDTRDY bit
is set, the processor generates an internal READY# to terminate the cycle upon time-out
(WDTOUT is asserted) in Bus Monitor mode.
The WDT circuitry correctly matches each READY# with a corresponding ADS# (even in pipe-
lined mode when two ADS# pulses occur before the first READY# pulse).
Figure 17-1. Watchdog Timer Unit Connections
E
I
B
u
s
A2330-02
Reload
Registers
WDTRLDH
WDTRLDL
32-Bit
Down Counter
WDTCLR
Connect
to NMI
or RESET
8-State
Binary
Counter
WDTOUT
WDTSTATUS
WDTCNTH
WDTCNTL
WDTOUT#
to IR7 of
Slave 8259A

Table of Contents

Related product manuals