EasyManua.ls Logo

Intel 386 - The Intel386 CX Processor Internal Block Diagram

Intel 386
691 pages
Print Icon
To Next Page IconTo Next Page
To Next Page IconTo Next Page
To Previous Page IconTo Previous Page
To Previous Page IconTo Previous Page
Loading...
3-3
CORE OVERVIEW
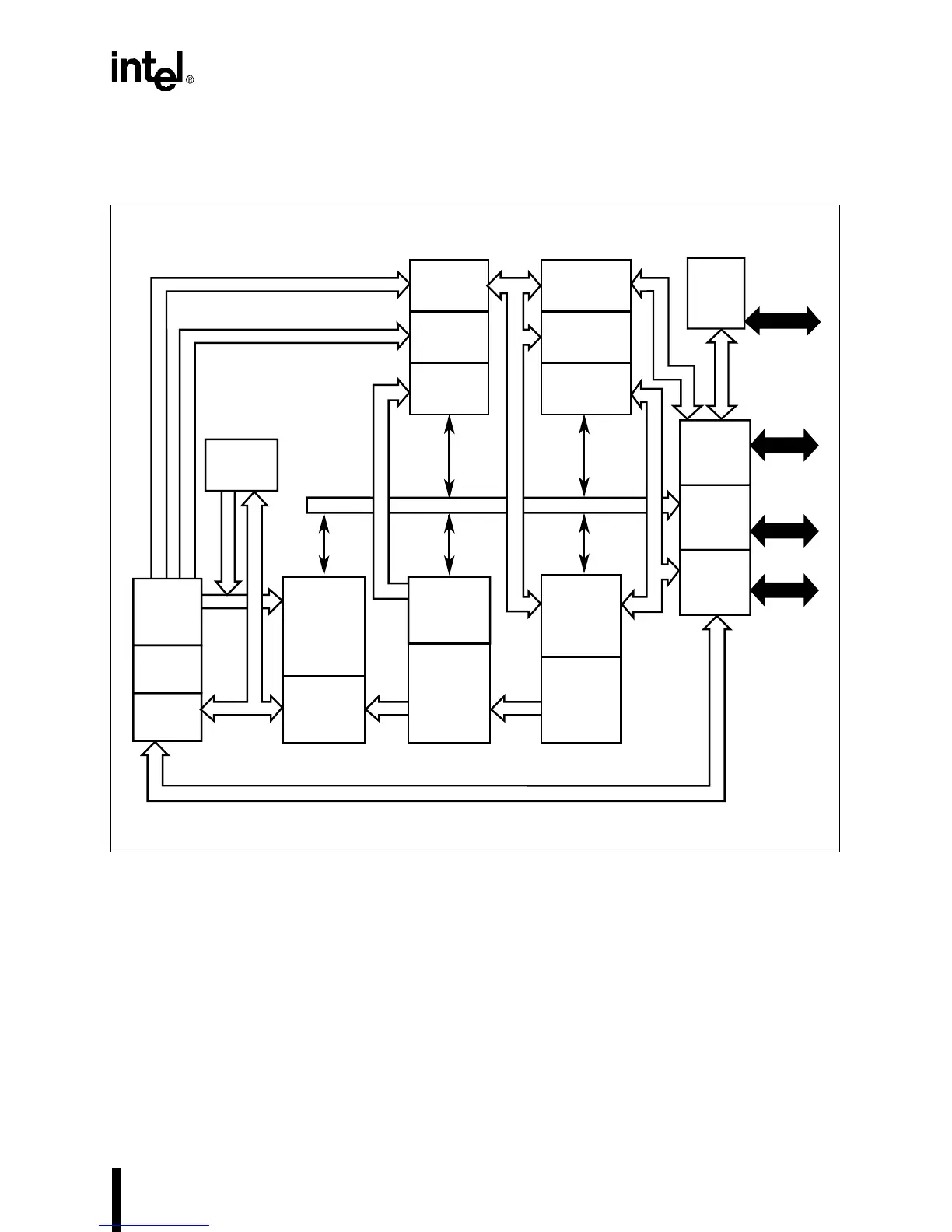
Figure 3-2 shows the internal architecture of the Intel386 CX processor.
Figure 3-2. The Intel386™ CX Processor Internal Block Diagram
A2851-02
3-Input
Adder
Descriptor
Register
Limit and 
Attribute
PLA
Instruction
Decoder
3 Decoded
Instruction
Queue
Prefetcher
Limit
Checker
16 Byte
Code
Queue
Code
Stream
Barrel
Shifter,
Adder
Multiply/
Divide
Register
File
ALU
Decode
and
Sequencing
Control
ROM
ALU
Control
Protection
Test
Unit
32Dedicated ALU Bus
32
32
32
Control Instruction
Predecode
Instruction
Prefetch
Linear Address Bus
Displacement Bus
Adder
Page
Cache
Control and
Attribute
PLA
MUX/
Transceivers
Pipeline/
Bus Size
Control
Address
Driver
Request
Prioritizer
Internal Control Bus
32
32
Paging Unit
Core Plus
Unit
Segmentation Unit
Effective Address Bus
Effective Address Bus
32
32
Physical Address Bus
32
HOLD, INTR, NMI,
ERROR#,BUSY#,
RESET, HLDA,
SMI#, SMIACT#,
PEREQ
BE0#, BE1#,
A25:1
M/IO#, D/C#,
W/R#, LOCK#,
ADS#, NA#,
READY#
D15:0
Code fetch / Page Table Fetch
Control
Status
Flags

Table of Contents

Related product manuals