EasyManua.ls Logo

Kollmorgen SERVOSTAR 300

Kollmorgen SERVOSTAR 300
138 pages
To Next Page IconTo Next Page
To Next Page IconTo Next Page
To Previous Page IconTo Previous Page
To Previous Page IconTo Previous Page
Loading...
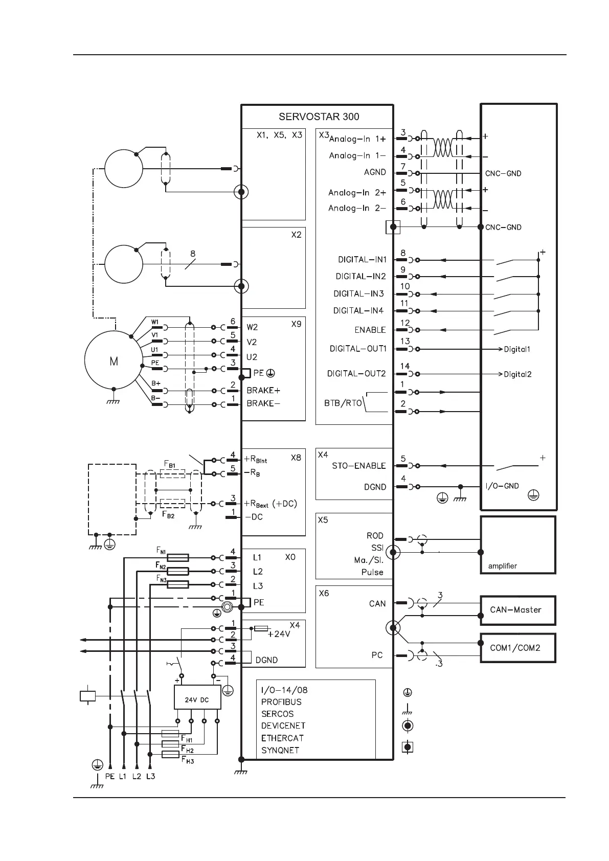
8.7 Connection diagram (Overview)
S300 Instructions Manual 57
Kollmorgen 02/2017 Electrical installation
digital
Feedback
or
Mains
contactor
Regeneration
resistor
supply unit
external regen
resistor is connected
Remove jumper if
Resolver
included
Resolver
thermal control
included
thermal control
PE-connection (protective earth)
shield connection at the front panel
shield connection via plug
chassis ground connection (panel)
slave/master
stepper motor
control,
evaluation,
encoder-
to 0V/GND
+24V referred
+/-10V speed
setpoint2
referred to
CNC-GND
CNC-GND
referred to
setpoint1
+/-10V speed
Control
Stop Circuit
Emergency
Encoder
to 0V/GND
+24V referred
ð p.95
ð p.96
ð p.59
ð p.59
ð p.61
ð p.64
ð p.69
ð p.92
ð p.93
ð p.94
ð p.90
ð p.91
ð p.87
ð p.88
Refer to the Safety Instructions (ðp.10)
and Use as Directed (ð p.12) !
ð p.93
ð p.70ff
ð p.119
ð p.120
ð p.122
ð p.131
ð p.126
ð p.116
ð p.39

Table of Contents

Other manuals for Kollmorgen SERVOSTAR 300

Related product manuals