EasyManua.ls Logo

Kollmorgen SERVOSTAR 300

Kollmorgen SERVOSTAR 300
138 pages
To Next Page IconTo Next Page
To Next Page IconTo Next Page
To Previous Page IconTo Previous Page
To Previous Page IconTo Previous Page
Loading...
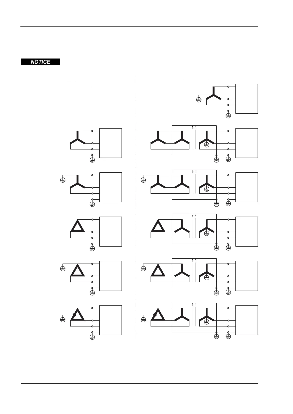
8.8 Electrical supply
8.8.1 Connection to various mains supply networks
An isolating transformer is required for 400V to 480V networks that are asymmetrically
grounded or not grounded as shown below.
* Order code reference see p. 135
58 S300 Instructions Manual
Electrical installation 02/2017 Kollmorgen
110...230V
400...480V
PE
L3
L2
L1
400...480V
400...480V
400...480V
400...480V
PE
L3
L2
L1
PE
L3
L2
L1
PE
L3
L2
L1
PE
L3
L2
L1
PE
L3
L2
L1
PE
L3
L2
L1
PE
L3
L2
L1
PE
L3
L2
L1
PE
L3
L2
L1
PE
L3
L2
L1
400...480V
110...230V
110...230V
110...230V
110...230V
Isolating transfo
mains
Isolating transfo
Isolating transfo
Isolating transfo
Isolating transfo
mains
mains
mains
mains
mains
mains
mains
mains
mains
110V : SERVOSTAR 303-310*
230V
: all types
400V / 480V
: SERVOSTAR 341-346*
S300
S300
S300
S300
S300
S300
S300
S300
S300
S300
S300

Table of Contents

Other manuals for Kollmorgen SERVOSTAR 300

Related product manuals