EasyManua.ls Logo

Kollmorgen SERVOSTAR 300

Kollmorgen SERVOSTAR 300
138 pages
To Next Page IconTo Next Page
To Next Page IconTo Next Page
To Previous Page IconTo Previous Page
To Previous Page IconTo Previous Page
Loading...
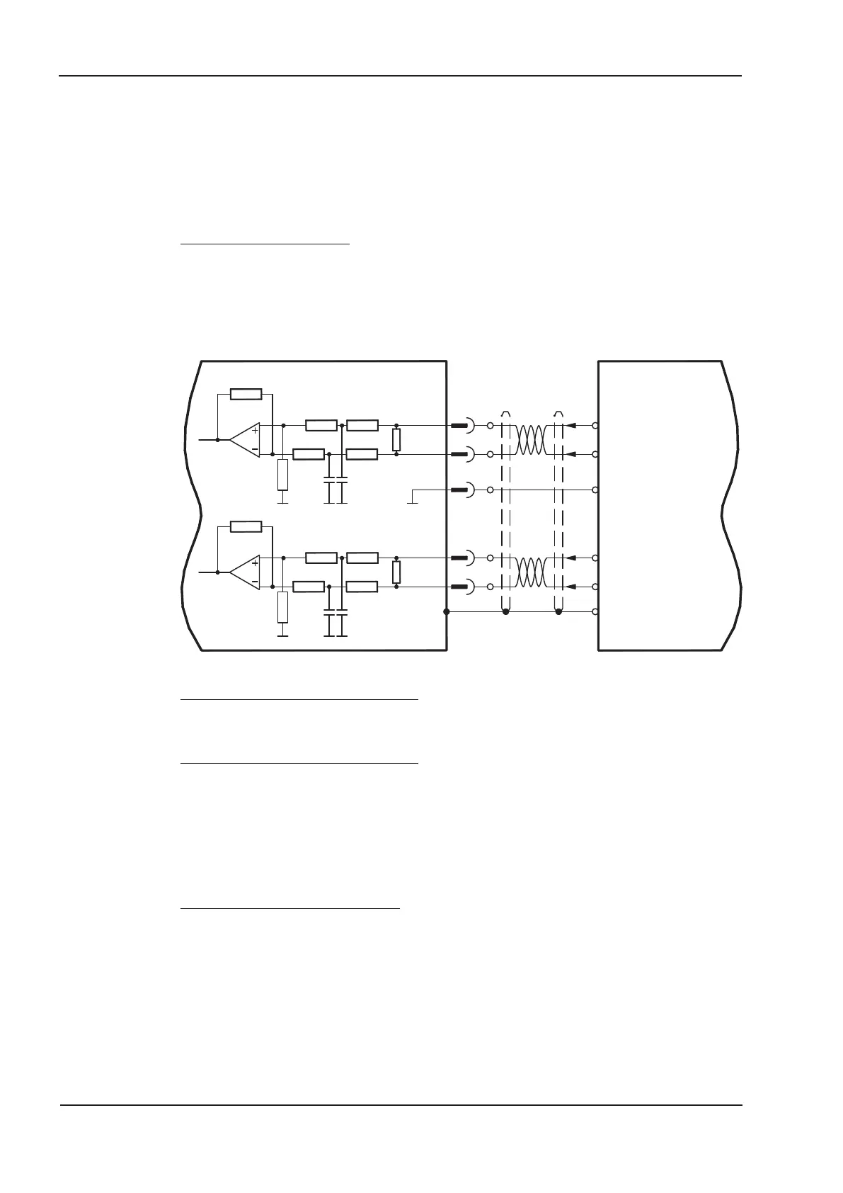
8.15 Digital and analog inputs and outputs
8.15.1 Analog inputs (X3)
The servo amplifier is fitted with two programmable differential inputs for analog
setpoints. AGND (X3/7) must always be joined to the GND of the controls as a ground
reference.
Technical characteristics
Differential-input voltage max. ± 10 V
Ground reference AGND, terminal X3/7
Input resistance 2.4 kW
Common-mode voltage range for both inputs ± 10 V
Update rate 62,5 µs
Analog-In 1 input (terminals X3/3-4)
Differential input voltage max. ± 10 V, resolution 14-bit, scalable.
Standard setting : speed setpoint
Analog-In 2 input (terminals X3/5-6)
Differential input voltage max. ± 10 V, resolution 12-bit, scalable.
Standard setting : torque setpoint
Application examples for setpoint input Analog-In 2:
adjustable external current limit
reduced-sensitivity input for setting-up/jog operation
pre-control / override
Defining the direction of rotation
Standard setting : clockwise rotation of the motor shaft (looking at the shaft end)
Positive voltage between terminal X3/3 (+ ) and terminal X3/4(-)or
Positive voltage between terminal X3/5 (+ ) and terminal X3/6(-)
To reverse the direction of rotation, swap the connections to terminals X3/3-4 or X3/5-6
respectively, or change the ROTATION DIRECTION parameter in the “Speed controller”
screen page.
92 S300 Instructions Manual
Electrical installation 02/2017 Kollmorgen
7
5
6
4
3
10k
10k
10k
10k
90k
1n
90k
90k
10n
90k
Analog-In 2-
Analog-In 2+
1n
Analog-In 1-
Analog-In 1+
10n
AGND
X3
GND
+
-
CNC-GND
-
+
setpoint 2 +/-10V
ref. to CNC-GND
control
ref. to CNC-GND
setpoint 1 +/-10V
S300

Table of Contents

Other manuals for Kollmorgen SERVOSTAR 300

Related product manuals