EasyManua.ls Logo

LeeBoy 685D - Cab Assembly - Air Conditioning (2 of 2)

LeeBoy 685D
354 pages
Print Icon
To Next Page IconTo Next Page
To Next Page IconTo Next Page
To Previous Page IconTo Previous Page
To Previous Page IconTo Previous Page
Loading...
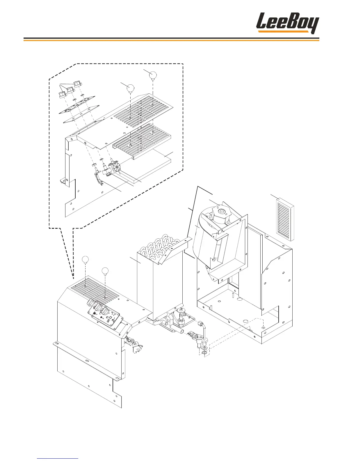
CAB ASSEMBLY - AIR CONDITIONING (2 OF 2)
3
2
4
5
6
6
7
8
9
10
1
11
Figure 7-19. Cab Assembly - Air Conditioning (2 of 2)
Illustrated Parts List
LeeBoy 685D Motor Grader7-40

Table of Contents

Related product manuals