EasyManua.ls Logo

Omron SYSMAC CJ - REFERENCE MANUAL 08-2008 - Page 149

Omron SYSMAC CJ - REFERENCE MANUAL 08-2008
1405 pages
Print Icon
To Next Page IconTo Next Page
To Next Page IconTo Next Page
To Previous Page IconTo Previous Page
To Previous Page IconTo Previous Page
Loading...
109
Instruction Functions Section 2-2
FIND IN STRING
FIND
@FIND$
660
Output
Required
1233
STRING LENGTH
LEN$
@LEN$
650
Output
Required
1235
REPLACE IN
STRING
RPLC$
@RPLC$
661
Output
Required
1237
DELETE STRING
DEL$
@DEL$
658
Output
Required
1240
Instruction
Mnemonic
Code
Symbol/Operand Function Location
Execution
condition
Page
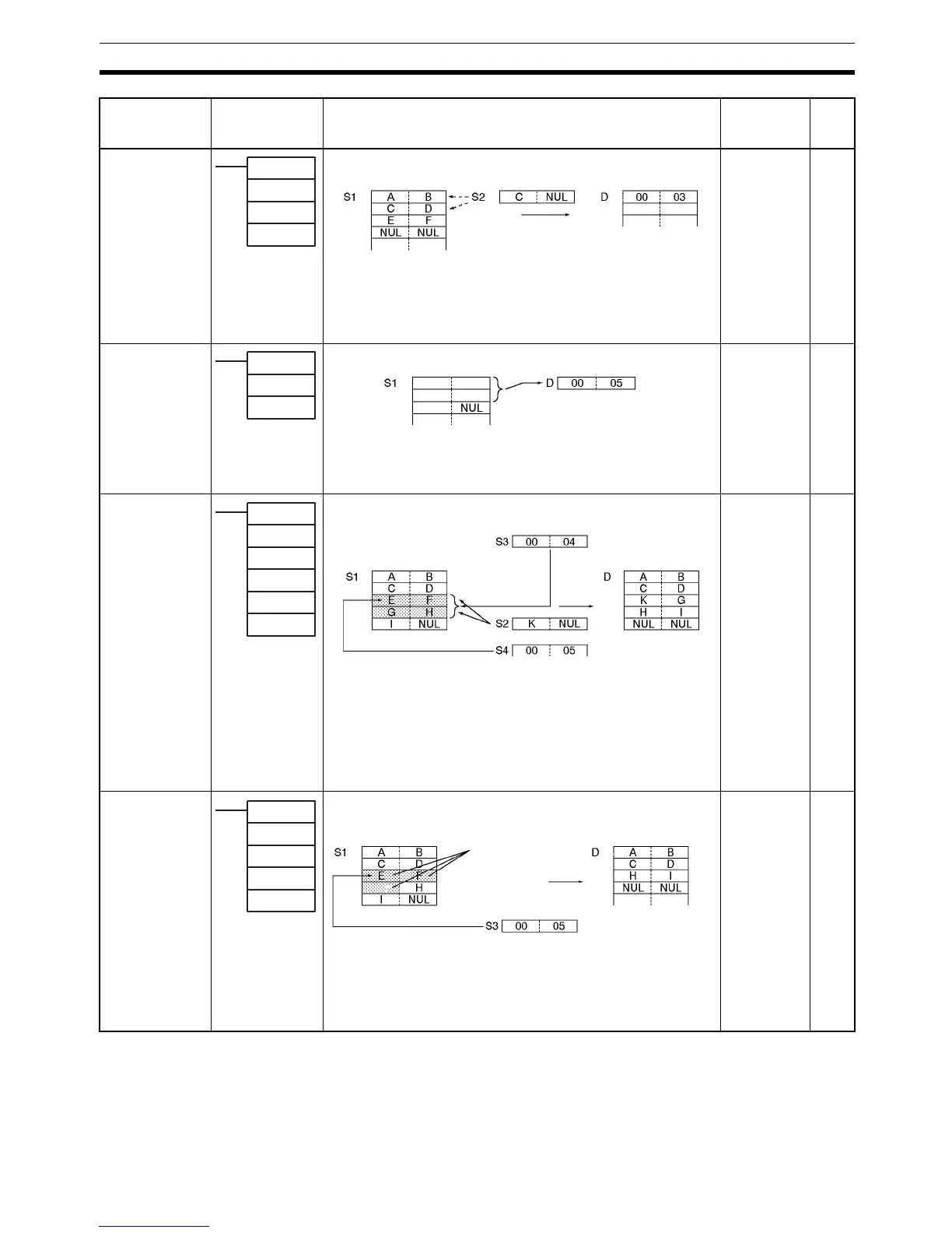
FIND$(660)
S1
S2
D
S1: Source text
string first word
S2: Found text
string first word
D: First
destination word
Finds a designated text string from within a text string.
Found data
LEN$(650)
S
D
S: Text string first
word
D: 1st destination
word
1
3
5
2
4
Calculates the length of a text string.
RPLC$(654)
S1
S2
S3
S4
D
S1: Text string
first word
S2: Replacement
text string first
word
S3: Number of
characters
S4: Beginning
position
D: First
destination word
Replaces a text string with a designated text string from a designated
position.
DEL$(658)
S1
S2
S3
D
S1: Text string
first word
S2: Number of
characters
S3: Beginning
position
D: First
destination word
G
Deletes a designated text string from the middle of a text string.
Number of characters to be
deleted (designated by S2).

Table of Contents

Related product manuals