EasyManua.ls Logo

Omron SYSMAC CJ - REFERENCE MANUAL 08-2008 - Page 231

Omron SYSMAC CJ - REFERENCE MANUAL 08-2008
1405 pages
Print Icon
To Next Page IconTo Next Page
To Next Page IconTo Next Page
To Previous Page IconTo Previous Page
To Previous Page IconTo Previous Page
Loading...
191
Sequence Output Instructions Section 3-4
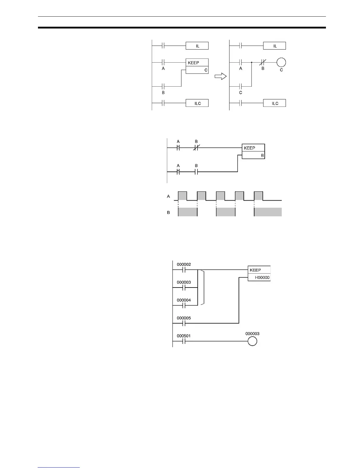
KEEP(011) can be used to create flip-flops as shown below.
If a holding bit is used for B, the bit status will be retained even during a power
interruption. KEEP(011) can thus be used to program bits that will maintain
status after restarting the PLC following a power interruption. An example of
this that can be used to produce a warning display following a system shut-
down for an emergency situation is shown below.
The status of I/O Area bits can be retained in the event of a power interruption
by turning ON the IOM Hold Bit and setting IOM Hold Bit Hold in the PLC
Setup. In this case, I/O Area bits used in KEEP(011) will maintain status after
restarting the PLC following a power interruption, just like holding bits. Be sure
to restart the PLC after changing the PLC Setup; otherwise the new settings
will not be used.
Flags No flags are affected by KEEP(011).
Precautions Never use an input bit in a normally closed condition on the reset (R) for
KEEP(011) when the input device uses an AC power supply. The delay in
shutting down the PLC’s DC power supply (relative to the AC power supply to
Output bit C will maintain its
previous status in an interlock.
Output bit C will be turned
OFF in an interlock.
Reset input
Indicates
emergency
situation
Activates
warning
display

Table of Contents

Related product manuals