EasyManua.ls Logo

Omron SYSMAC CJ - REFERENCE MANUAL 08-2008 - Page 99

Omron SYSMAC CJ - REFERENCE MANUAL 08-2008
1405 pages
Print Icon
To Next Page IconTo Next Page
To Next Page IconTo Next Page
To Previous Page IconTo Previous Page
To Previous Page IconTo Previous Page
Loading...
59
Instruction Functions Section 2-2
DATA ENCODER
DMPX
@DMPX
077
Output
Required
500
ASCII CONVERT
ASC
@ASC
086
Output
Required
504
Instruction
Mnemonic
Code
Symbol/Operand Function Location
Execution
condition
Page
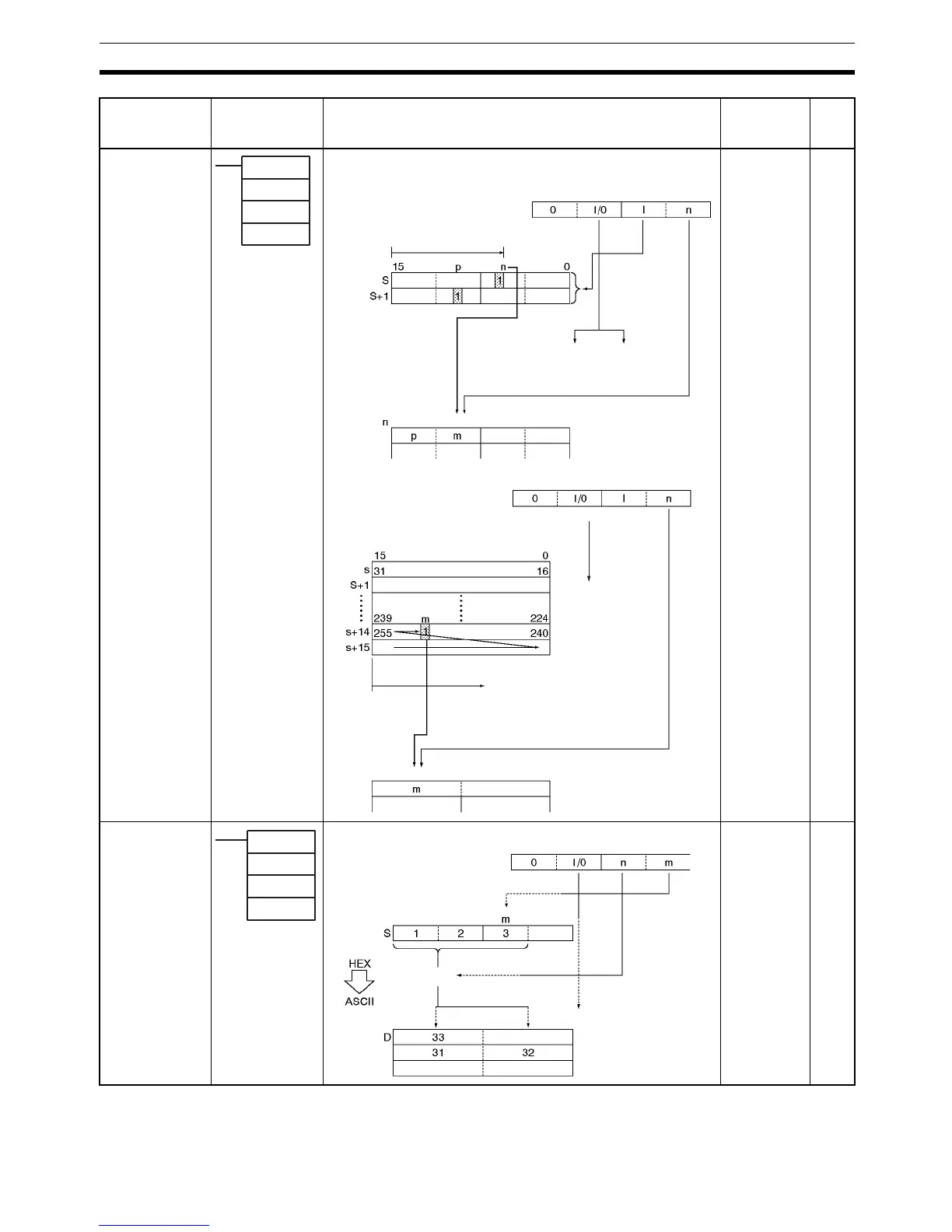
DMPX(077)
S
R
C
S: 1st source
word
R: Result word
C: Control word
C
R
C
R
Leftmost bit Rightmost bit
Leftmost bit
l
=1 (Convert
2 words.)
FInds the location of the first or last ON bit within the source word (or
16-word range), and writes that value to the specified digit (or byte) in
the result word.
16-to-4 bit conversion
Finds leftmost bit
(Highest bit address)
16-to-4 bit decoding
(Location of leftmost
bit (m) is written to R.)
n=2 (Start with digit 2.)
256-to-8 bit conversion
l=0 (Convert one 16-word range.)
Finds leftmost bit
(Highest bit address)
256-to-8 bit decoding (The location of
the leftmost bit in the 16-word range
(m) is written to R.)
n=1 (Start with byte 1.)
ASC(086)
S
D
Di
S: Source word
Di: Digit
designator
D: 1st destination
word
Right (0)Left (1)
Di
Converts 4-bit hexadecimal digits in the source word into their 8-bit
ASCII equivalents.
First digit to convert
Number of
digits (n+1)

Table of Contents

Related product manuals