EasyManua.ls Logo

REXROTH IndraDrive - Page 153

REXROTH IndraDrive
312 pages
Print Icon
To Next Page IconTo Next Page
To Next Page IconTo Next Page
To Previous Page IconTo Previous Page
To Previous Page IconTo Previous Page
Loading...
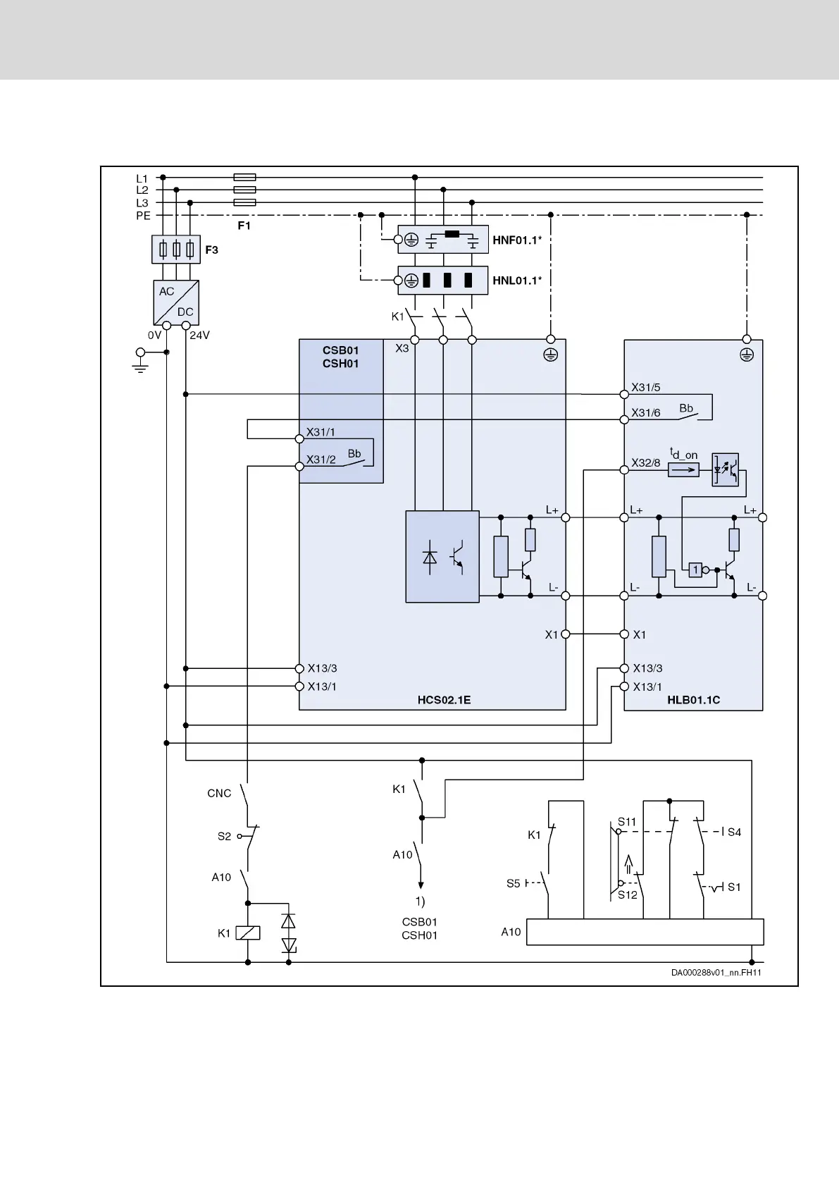
Suggestion for Control Circuit for the Mains Connection of HCS02 Converters and DC Bus Resistor Units
HLB01.1C and Emergency Stop Relay
* Optional
1) Drive enable (via input at control section or via master communica‐
tion); depending on parameter "P-0-4028, Device control word"
A10 Emergency stop relay (example of circuit; optional design)
DOK-INDRV*-SYSTEM*****-PR06-EN-P
Rexroth IndraDrive Drive Systems with HMV01/02 HMS01/02, HMD01, HCS02/03
Bosch Rexroth AG 151/309
Circuits for the Mains Connection

Table of Contents

Related product manuals