EasyManua.ls Logo

Siemens SIPROTEC 7SJ80

Siemens SIPROTEC 7SJ80
562 pages
To Next Page IconTo Next Page
To Next Page IconTo Next Page
To Previous Page IconTo Previous Page
To Previous Page IconTo Previous Page
Loading...
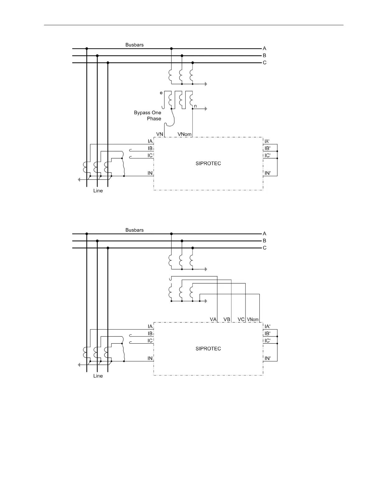
[polaritaetspruefung-ie-mituen-gemessen, 1, en_US]
Figure 3-27
Polarity testing for Ι
N
, example with current transformers configured in a Holmgreen-connec-
tion (VTs with broken delta connection -- e-n winding)
[polaritaetspruefung-ie-mituen-berechnet-211002-kn, 1, en_US]
Figure 3-28
Polarity testing for Ι
N
, example with current transformers configured in a Holmgreen-connec-
tion (VTs Wye-connected)
Mounting and Commissioning
3.3 Commissioning
SIPROTEC 4, 7SJ80, Manual 349
E50417-G1140-C343-A8, Edition 12.2017

Table of Contents

Other manuals for Siemens SIPROTEC 7SJ80

Related product manuals