EasyManua.ls Logo

Siemens SIPROTEC 7SJ80

Siemens SIPROTEC 7SJ80
562 pages
To Next Page IconTo Next Page
To Next Page IconTo Next Page
To Previous Page IconTo Previous Page
To Previous Page IconTo Previous Page
Loading...
[7sj6x_gerueberstromzeit_ueberstromst-030903-he, 1, en_US]
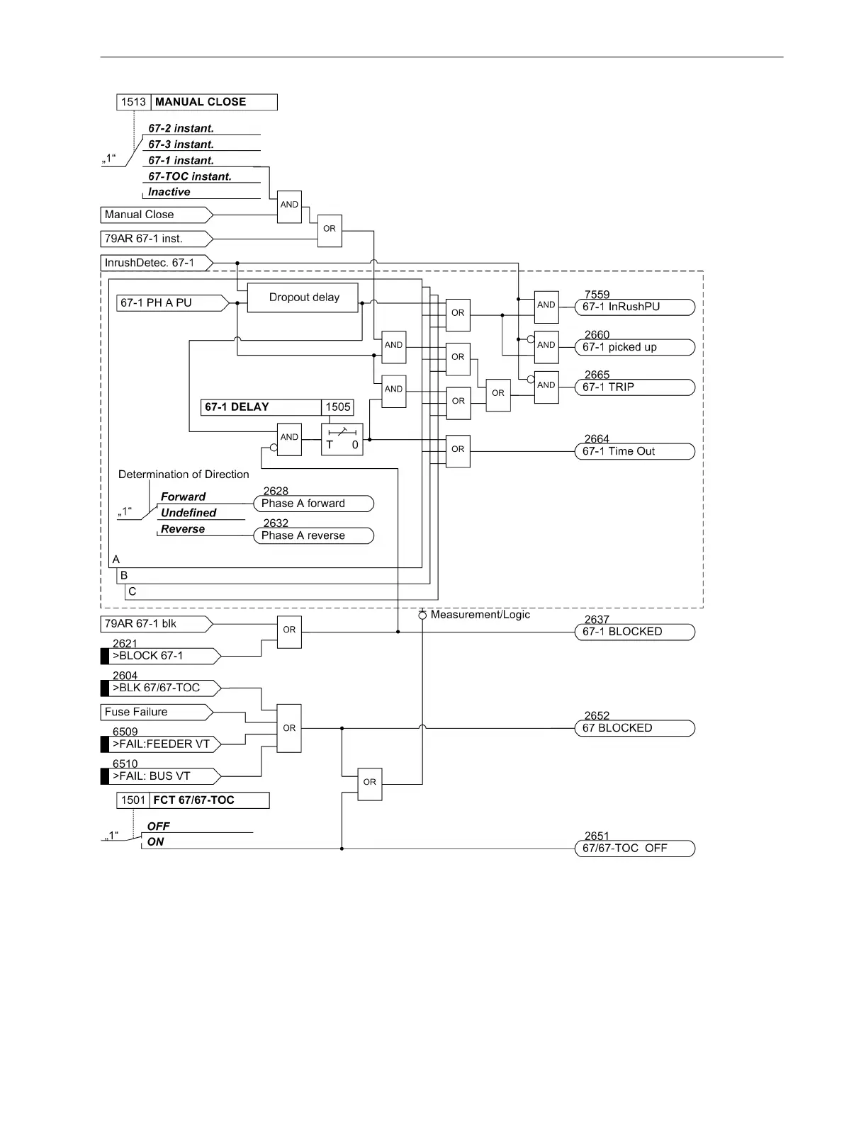
Figure 2-22
Logic diagram for the directional relay element 67-1 for phases
If parameter MANUAL CLOSE is set to 67-1 instant. and manual close detection is present, a pickup
causes instantaneous tripping even if the element is blocked via binary input.
The same applies to 79 AR 67-1 instantaneous.
The dropout delay does only function if no inrush was detected. An approaching inrush resets an already
running dropout time delay.
Functions
2.3 Directional Overcurrent Protection 67, 67N
SIPROTEC 4, 7SJ80, Manual 87
E50417-G1140-C343-A8, Edition 12.2017

Table of Contents

Other manuals for Siemens SIPROTEC 7SJ80

Related product manuals