EasyManua.ls Logo

Spectra-Physics Tsunami - Figure 8-6: Synchronization of Two Lok-To-Clock Tsunami Lasers

Spectra-Physics Tsunami
238 pages
Print Icon
To Next Page IconTo Next Page
To Next Page IconTo Next Page
To Previous Page IconTo Previous Page
To Previous Page IconTo Previous Page
Loading...
Tsunami Mode-Locked Ti:sapphire Laser
8-10
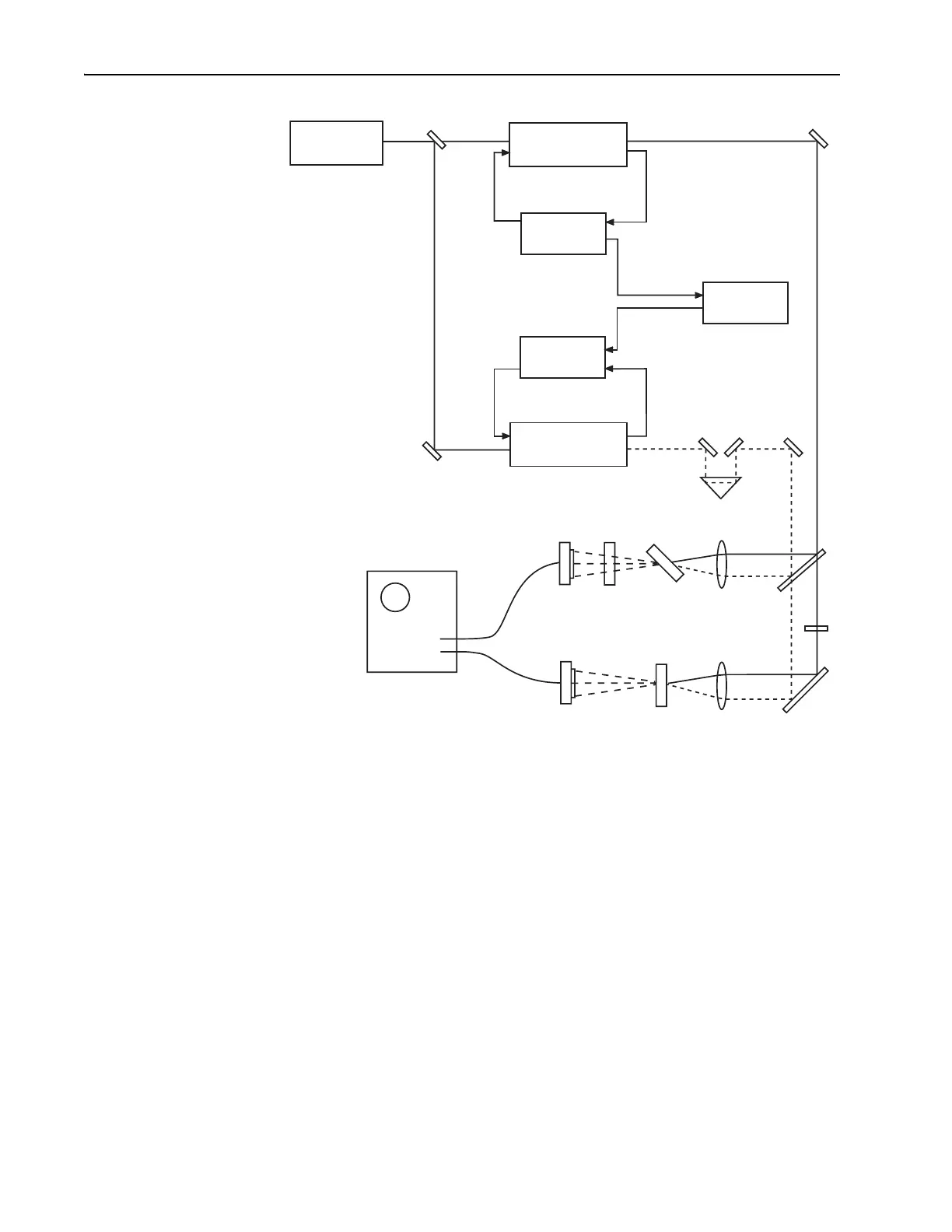
Figure 8-6: Synchronization of two Lok-to-Clock Tsunami Lasers
1. Adjust each Tsunami laser for optimum performance at the desired
wavelengths.
2. With each Model 3930 unlocked (there are no illuminated segments in
either
STATUS display), place a photodiode (e.g., an Electro Technol-
ogy
ET2000) at the source of the experiment.
3. Adjust the optical alignment so that the pulse train for each Tsunami
laser can be identified.
4. Set up and lock TsunamiA” as outlined in “Operation Notes” above.
5. Repeat Step 4 for Tsunami “B.
The oscilloscope display should now show two pulse trains with a fixed
delay. The pulse trains are now synchronized but are probably not over-
lapped in time.
6. Verify the time between the pulse trains can be varied by using the
coarse
TIMING control.
Model 3932
Tsunami
Model 3930
Model 3930
PZT
Signal
80 MHz
Reference
PZT
Signal
Photodiode
Input
Tsunami
Doubling
Crystal
Photodiode
Photodiode
Sample
Lens
Lens
Filter
Oscilloscope
Model 2080
Beam
Splitter
Calibration
Etalon
Ext. Input
Photodiode
Input
Length Adjust

Table of Contents