EasyManua.ls Logo

Spectra-Physics Tsunami - Example 2: Synchronizing Pulses from a Mode-Locked Laser with an LTC Tsunami; Figure 8-8: Synchronization of a Standard Tsunami Laser to a Lok-To-Clock Tsunami Laser

Spectra-Physics Tsunami
238 pages
Print Icon
To Next Page IconTo Next Page
To Next Page IconTo Next Page
To Previous Page IconTo Previous Page
To Previous Page IconTo Previous Page
Loading...
Tsunami Mode-Locked Ti:sapphire Laser
8-12
Example 2: Synchronizing Pulses from a
mode-locked laser with an LTC Tsunami
A similar procedure can be applied for locking a LTC Tsunami to another
mode-locked laser operating close to 80 MHz (e.g., a standard Tsunami
laser operating at 82 MHz). The cross-correlation signal obtained from
such a system is dependent upon the phase noise of the mode-locked laser.
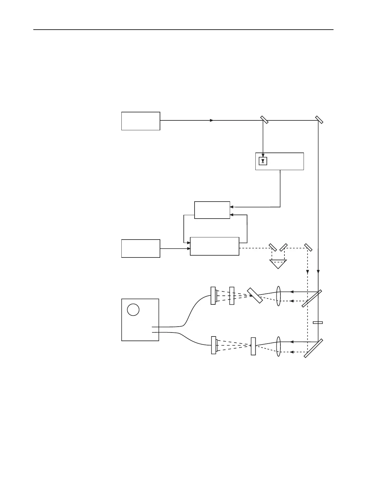
Figure 8-8 shows a typical setup.
Figure 8-8: Synchronization of a Standard Tsunami Laser to a Lok-to-
Clock Tsunami Laser.
A beam splitter picks off a small amount of output from the mode-locked
source, which is then sent to a Model 3932-BSM for operation with wave-
lengths below 900 nm or a Model 3932-LX for wavelengths beyond
900 nm. The output of these photodetectors provide the appropriate wave-
forms for the REF IN signal of the Model 3930.
Mode-locked
Laser
Model 3932
Model 3930
80 MHz
PZT
Signal
Photodiode
Input
Tsunami LTC
Nonlinear
Crystal
Photodiode
Photodiode
Sample
Lens
Lens
Filter
Oscilloscope
Pump Laser
Beam
Splitter
Calibration
Etalon
Length Adjust
REF IN

Table of Contents