EasyManua.ls Logo

wsm B2420 - Page 56

wsm B2420
333 pages
Print Icon
To Next Page IconTo Next Page
To Next Page IconTo Next Page
To Previous Page IconTo Previous Page
To Previous Page IconTo Previous Page
Loading...
GENERAL
B2420, WSM
G-42
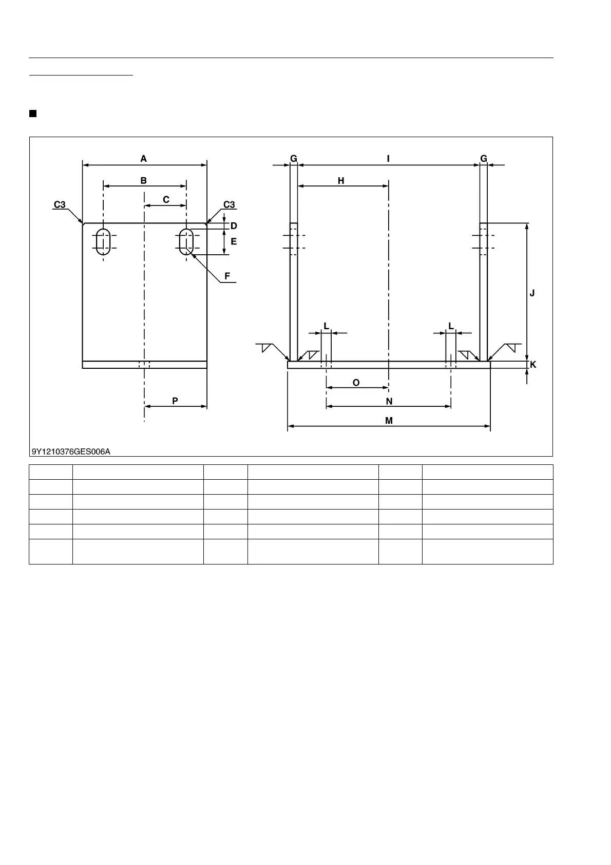
Disassembling Stand
Application
Use for supporting engine.
NOTE
This special tool is not provided, so make it referring to figure.
9Y1210436GEG0020US0
A 150 mm (5.91 in.) G 9 mm (0.4 in.) M 244 mm (9.61 in.)
B 100 mm (3.94 in.) H 110 mm (4.33 in.) N 150 mm (5.91 in.)
C 50 mm (2.0 in.) I 220 mm (8.66 in.) O 75 mm (3.0 in.)
D 7 mm (0.3 in.) J 165 mm (6.50 in.) P 75 mm (3.0 in.)
E 30 mm (1.2 in.) K 9 mm (0.4 in.) C3 Chamfer 3 mm (0.1 in.)
F
4 × 16 mm dia. × L30 mm
4 × 0.63 in. dia. × L1.2 in.
L 12 mm dia. (0.5 in. dia.)
KiSC issued 06, 2012 A

Table of Contents

Related product manuals