EasyManua.ls Logo

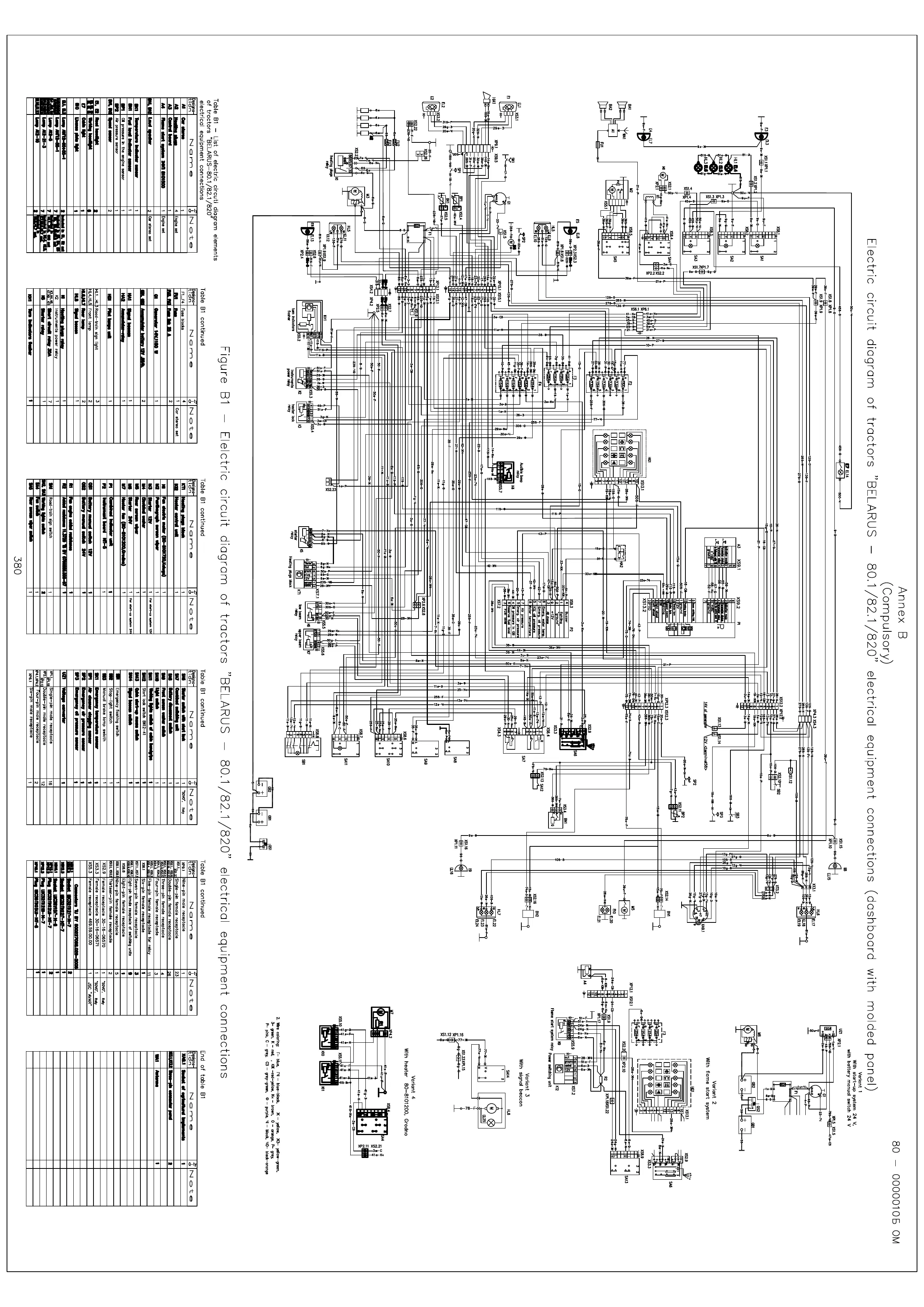
Belarus 820 - ANNEX B (Compulsory) - Electric Circuit Diagram of Tractors BELARUS - 80.1;82.1;820 Electrical Equipment Connections (Dashboard with Molded Panel)

Default Icon
381 pages
Print Icon
To Next Page IconTo Next Page
To Next Page IconTo Next Page
To Previous Page IconTo Previous Page
To Previous Page IconTo Previous Page
Loading...

Table of Contents