EasyManua.ls Logo

Belarus 820 - Front Wheel Track Formation of Tractors, Equipped with FDA with Bevel Wheel Gear Groups

Default Icon
381 pages
Print Icon
To Next Page IconTo Next Page
To Next Page IconTo Next Page
To Previous Page IconTo Previous Page
To Previous Page IconTo Previous Page
Loading...
80-0000010B OM
236
4.2.11.3 Front wheel track formation of tractors, equipped with FDA with bevel
wheel gear groups.
4.2.11.3.1 Front wheel track formation of tractors, equipped with FDA with bevel
wheel gear groups and HSC
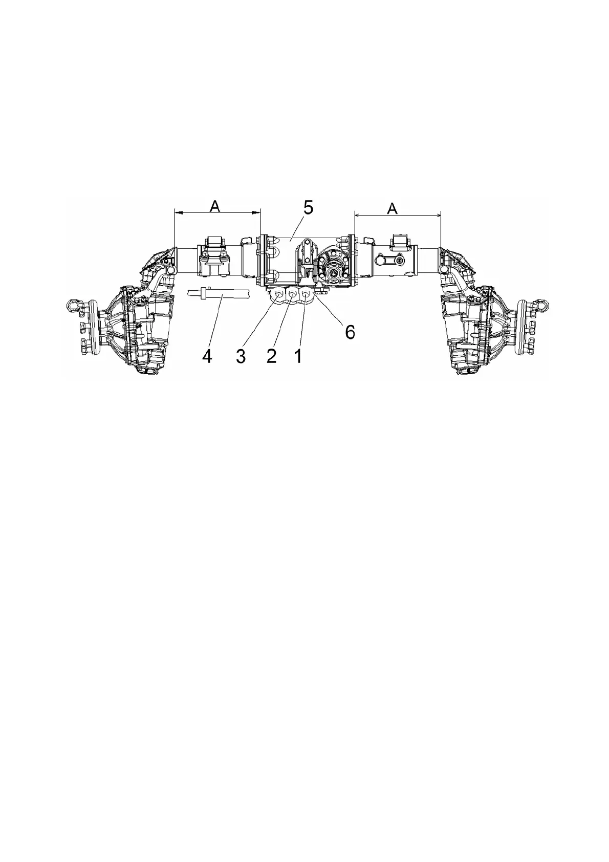
Wheel track of tractors, equipped with FDA with bevel wheel gear groups can be
changed step-by-step depending on the lengths of extension of wheel gear groups (di-
mension А in figure 4.2.14) and, accordingly, on the hole of HSC cylinder fastening (holes
1, 2, 3, as shown in figure 4.2.14), and can make 1400, 1510, 1620 mm, and with re-
placing the wheels from one sideboard to the other 1740, 1850, 1960 mm (with front tyres
11.2-20 mounted).
1, 2, 3 – holes for cylinder fastening; 4 – cylinder; 5 – FDA; 6 - bracket.
Figure 4.2.14 Rules of changing the front wheel track on tractor equipped with
FDA 72-2300020-А-04
To set the necessary track by means of extending the wheel gear groups, do the fol-
lowing operations:
- brake the tractor using the parking brake. Put wheel chocks at the front and back
of rear wheels;
- jack up the front part of the tractor (or the front wheels, one by one) to provide
clearance between the wheels and the ground;
- release four bolts fastening the cover of adjusting screw and remove cover 2 (fig-
ure 4.2.15);
- unscrew two nuts and remove two wedges 1;
- loosen the tightening of nuts 3 at the ends of steering link tube 5;
- remove split pin 7, and then remove lock-pin 6. If distance H is larger than 70
mm, change the position of lock finder 6 (position II);
- detach cylinder 4 from bracket 6 figure 4.2.14;
- by rotating adjusting screw 4 (figure 4.2.15) with a wrench, move the body of the
bevel pair with a hub drive unit to reach the necessary distance “A”. At the same time, by
rotating tube 5, change the length of the steering link to the dimension that corresponds to
the track that is being set up.
- install and lock pin of cylinder 4 (figure 4.2.14) in the hole of bracket 6 in accord-
ance with table 4.2.8;
- install and tighten wedges 1 (figure 4.2.15) and cover of adjusting screw;
- repeat these operations by analogy on the other side of the driving axle. Set di-
mension А(right)=А(left);
- tighten nuts 3 of steering link tube with a torque from 100 to 140 Nꞏm.

Table of Contents

Related product manuals