EasyManua.ls Logo

Belarus 820 - Cable Control of Rear Axle Differential Lock

Default Icon
381 pages
Print Icon
To Next Page IconTo Next Page
To Next Page IconTo Next Page
To Previous Page IconTo Previous Page
To Previous Page IconTo Previous Page
Loading...
80-0000010B OM
120
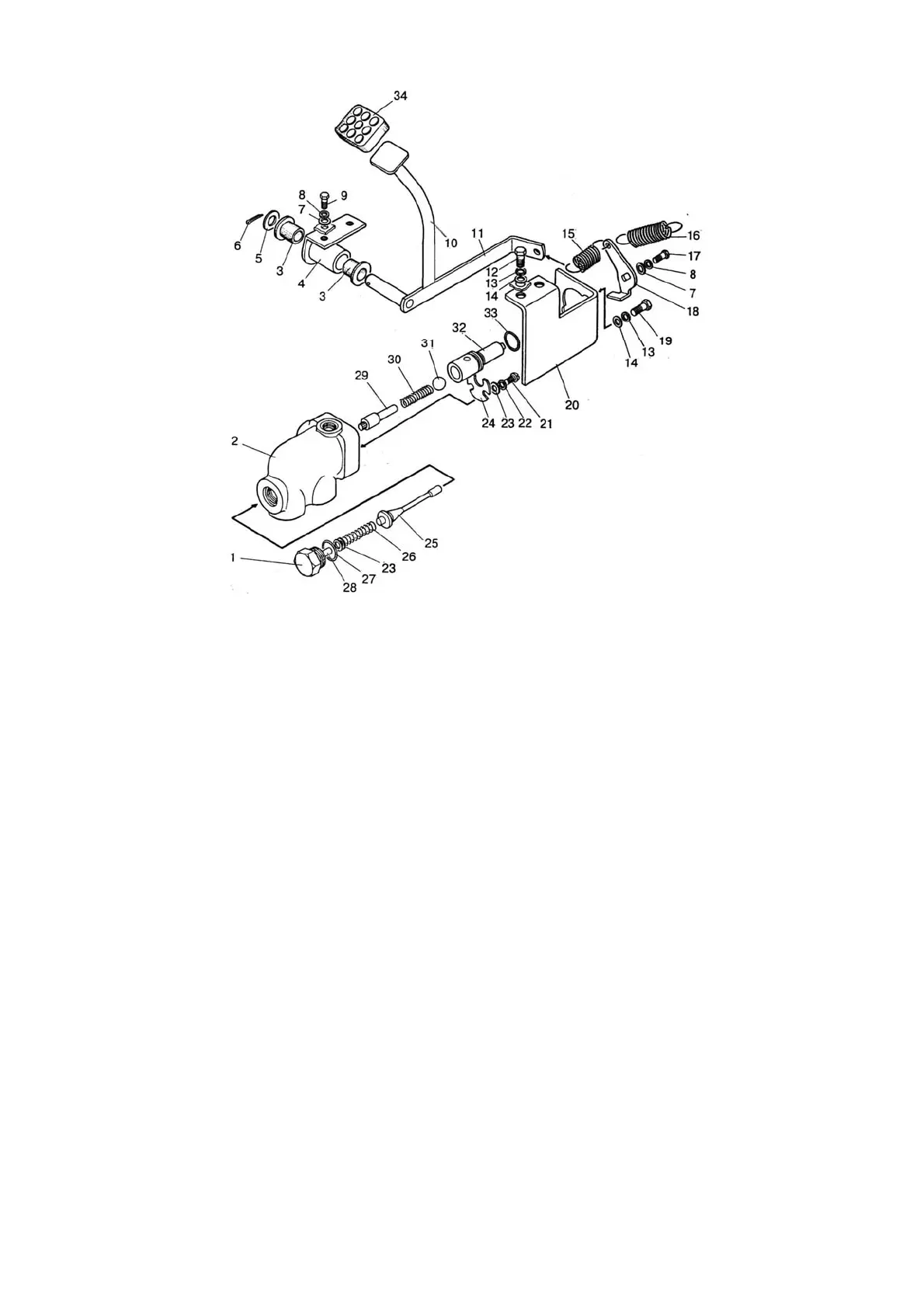
1 – plug; 2 valve-cock housing; 3 – bushing; 4 – bracket; 5 washer; 6 split pin;
7, 14 washer; 8, 13, 22 – spring washer; 9, 12, 17, 19, 21 bolt; 10 – pedal; 11 – lev-
er; 15, 16 spring; 18 spool lever; 20 - bracket; 23 adjusting washers; 24 lock; 25
valve; 26 spring; 27 ring; 28 retainer; 29 guide; 30 spring; 31 ball; 32 spool; 33
ring; 34 – pedal pad.
Figure 3.4.4 – Differential lock control
3.4.5.3 Cable control of rear axle differential lock
The differential lock system consists of lock coupling, lock sensor, pressure reduc-
ing valve, oil lines, and lock remote control from the cabin.
The differential lock control is carried out from the cabin by handle 9 (figure 3.4.5),
which is connected by cable 2 to valve-cock 1 of the lock sensor, located in the housing of
HPS.
Differential lock handle 6 has three positions:
- “Differential lock off” front most position in the direction of tractor travel (tick of
the valve-cock coincides with tick “OFF” on the sensor cover);
- “Differential lock is automatic”- the handle is in the middle position and is fixed by
its turn clockwise by 90° (tick of the valve-cock coincides with tick “ON” on the sensor cover).
Oil flows into membrane cavity A of lock coupling under a pressure from 0,8 to 1,2 MPa,
maintained by pressure reducing valve 28 (figure 3.13.1) and the differential is locked. When
tractor drive wheels turn by an angle more than 13° of the straightline movement plank 26
shifts in such a way, that spool 4 goes out of slot of the plank, cavity A of the lock coupling
intercommunicates with the drain and the differential is unlocked. Use automatic differential
lock when performing all kinds of field works, as well as when performing hauling operations
on earth roads in the conditions of insufficient adherence of the drive wheels with road sur-
face. When performing hauling operations on roads with hard-surface pavement in the condi-
tions of good adherence turn off automatic differential lock to avoid increased wear of tyres.

Table of Contents

Related product manuals