EasyManua.ls Logo

Buell 2002 P3 - Page 332

Buell 2002 P3
400 pages
Print Icon
To Next Page IconTo Next Page
To Next Page IconTo Next Page
To Previous Page IconTo Previous Page
To Previous Page IconTo Previous Page
Loading...
2002 Buell P3: Electrical 7-5
HOME
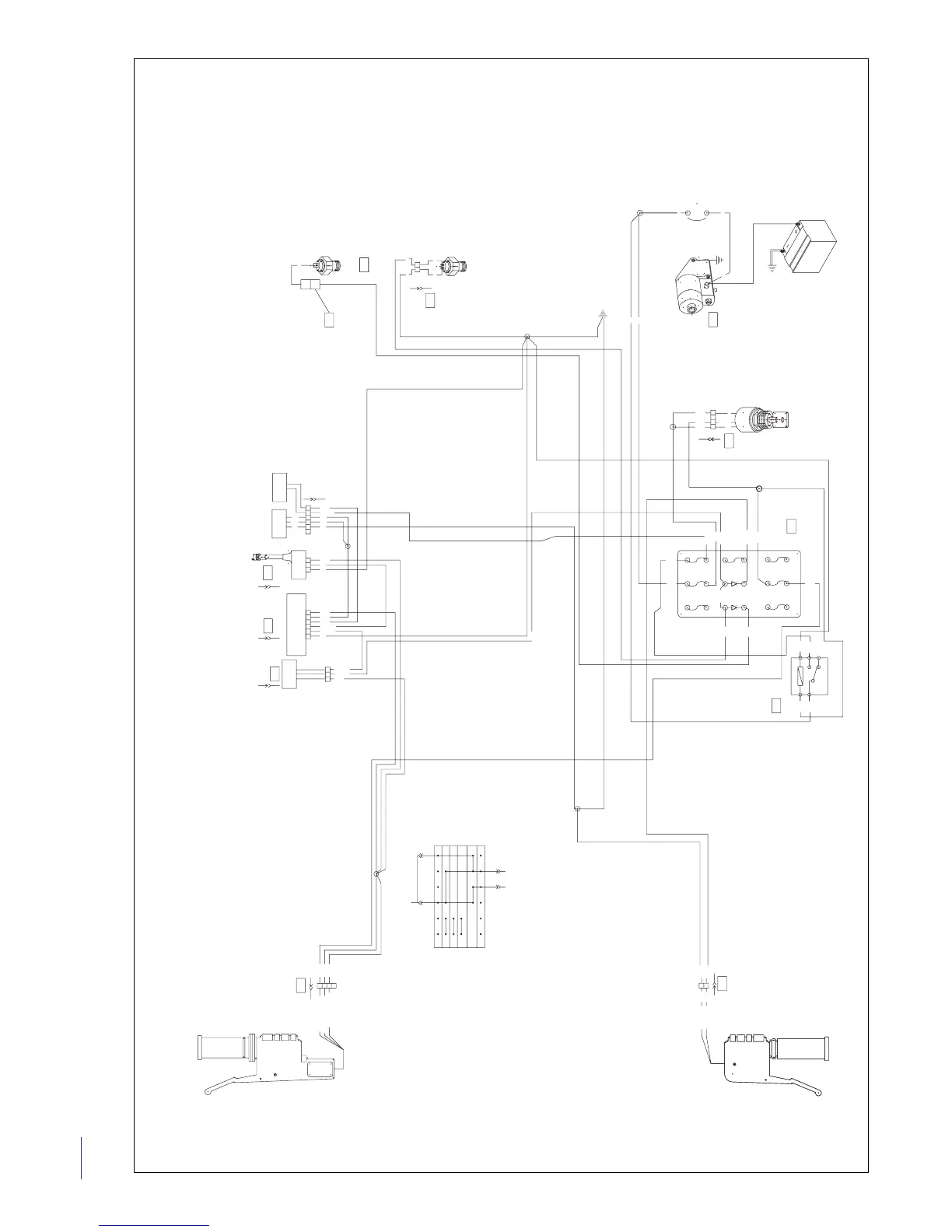
Figure 7-3. Ignition System Circuit
12
3
4
5
6
1
2
BK
R/BE
BATTERY
IGNITION
CO IL
SPARK
PLU G
AB
NEU TRAL
C
TO GND
FROM
START RELAY
INTEGRATED
ELECT RONIC IG NITION
MODUL E
131
128
30A
A
B
C
D
KEY SWIT CH
R
GN/B K
33
TN/W
BK
BK W
SIDESTAND
SWIT CH
12
60
86
30
85
87
87A
SYSTEM
RELAY
FUSE
BLOCK
(T OP VIEW)
61
LIGHTS
15A
KEY SWIT CH
SYSTEM
15A
DIODE 1
DIODE 2
SPARE
15A
IGNITION
SPARE
AC CESSORY
MAST ER C/B
1
2
3
4
MAIN CH ASS IS GR OUND
(T O BA TT NEG)
GY
12
3
4
5
6
AU T O
ENRICH
THROTTLE
POSIT ION
SENSOR
KB
LBE
Y
15A
7.5A
7.5A
7.5A
95
CLUTCH SWIT CH
10
83
PK
IGN MODUL E
GN/BK
W/R W/B K
W/B K
R
W/B K
PK
W/B K
V/W
KB
BK
TN/Y
V/O
FROM (3)
R
R
R/B 1
R 1
R 1
R
GY
GY
V/O
O
/WV
/WV
KB
S14
22
TN/Y
R/B 1
R
R
O
SWIT CH
NEU TRAL
131
TN
R 2
R 2
R/BK
BK
TN/GN
BK
R/BK
R
IGN POWER
BE
R/BK1
TN
TN/W
R 2
TN/GN
R/BK
171
172
LGN/GY
LGN/GY
ABC
W/B K
TN/Y
BANK
AN GLE
SENSOR
134
KEY SWIT CH L OGIC
ABCDE F
LOCK
PARK
OF F
ON
ABCDE F
AD
CB
16 R
6A RATING
6A RATING
16 GN/B
12A RATING
ZADI KEY SWITCH
16 R/BK 18 O/W
16 R 2
16 GY
16 Y
a0282a7x

Table of Contents

Related product manuals