EasyManua.ls Logo

Danfoss VLT AQUA Drive FC 202 - Page 197

Danfoss VLT AQUA Drive FC 202
206 pages
Print Icon
To Next Page IconTo Next Page
To Next Page IconTo Next Page
To Previous Page IconTo Previous Page
To Previous Page IconTo Previous Page
Loading...
3
-QA3
3
-RF5
3
3
2
R
B
2
3
3
-RF1.1
3
-RF2
3
-RF3
3
3
3
3
3
3
1L1-3
1L1-3
-QB1
3
3
3
-TA1.1
B
-CA3.1
PU1
PE,U,V,W
-MA1
3~
3+PE
M
-QB8
3
-QB7
I>>
I>
3
-QA2.1
-CA5.1
-CA5.2
-QA2.2
-CA5.3
-CA5.4
-RF4.1 -RF4.2
-RF4.3
-RF4.4
R1.1 R1.2
R1.3
R1.4
L1-3
-PE
PE
PE
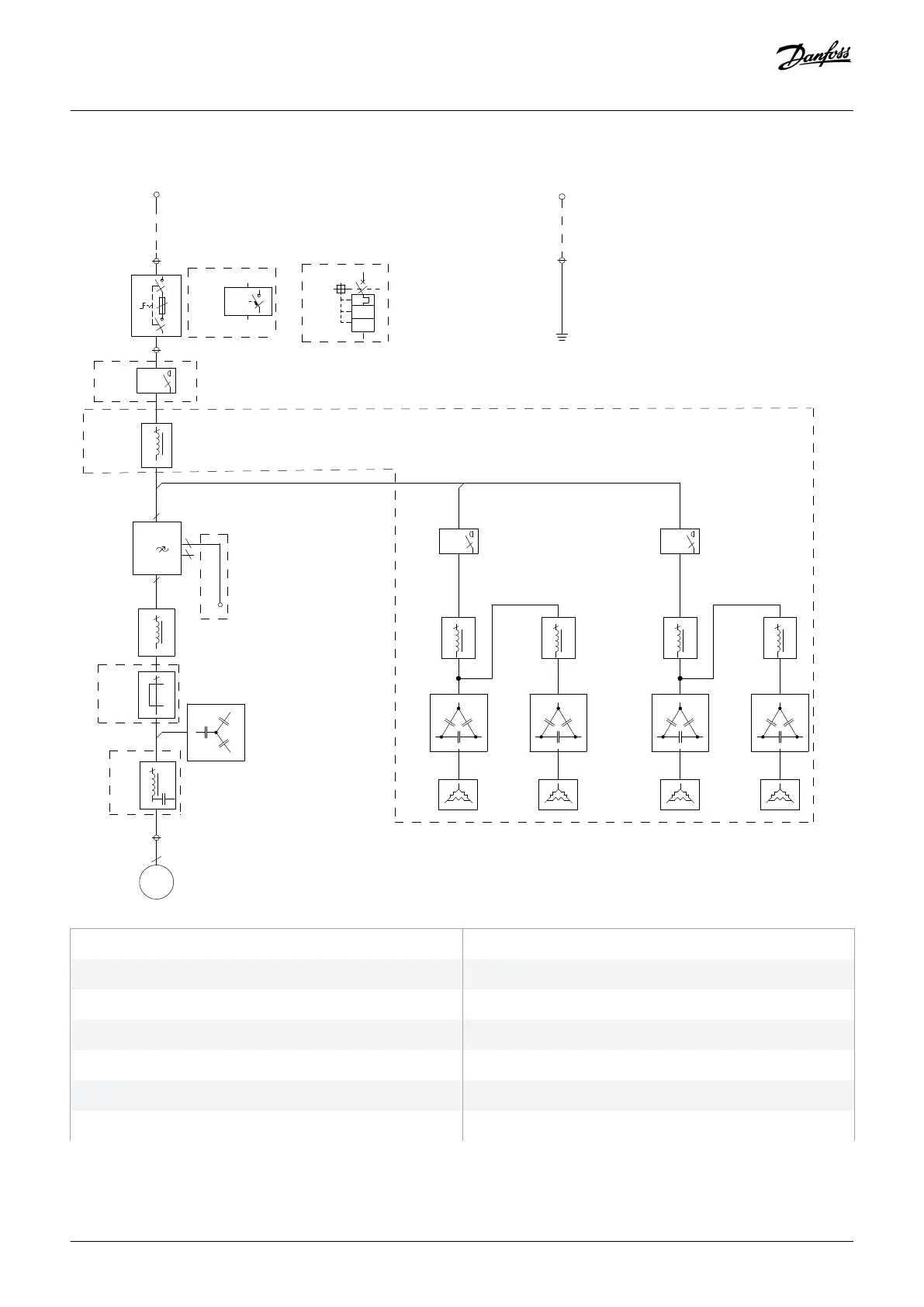
e30bu197.10
-RFI Radio frequency interference (RFI) filter
-RF5 Passive harmonic filter (PHF) L0
-CA5 PHF capacitors
-RFL Line reactor
-QB7 Molded-case circuit breaker (MCCB)
-QB2 Mains fused disconnect
-MA7 dU/dt and sine-wave filter fans
R1 Resistor
-RF4 PHF inductors
-QA2 PHF contactor
-QAF PHF relay
-QA3 Mains contactor
-QB8 Mains disconnect
-MA8 PHF fans
Appendix
Operating Guide | VLT® AQUA Drive FC 202
AQ262141056213en-000101 / 130R0882 | 197
Danfoss A/S © 2018.10

Table of Contents

Other manuals for Danfoss VLT AQUA Drive FC 202

Related product manuals