EasyManua.ls Logo

FEC AFC3000 - 5-3 Expansion I;O - 24 VDC Discrete I;O

FEC AFC3000
294 pages
Print Icon
To Next Page IconTo Next Page
To Next Page IconTo Next Page
To Previous Page IconTo Previous Page
To Previous Page IconTo Previous Page
Loading...
Chapter 5
I/O
Expansion Unit
Page 5-3
5-3 Expansion I/O 24VDC Discrete I/O
5-3-1 Description of the Hardware (Expansion I/O)
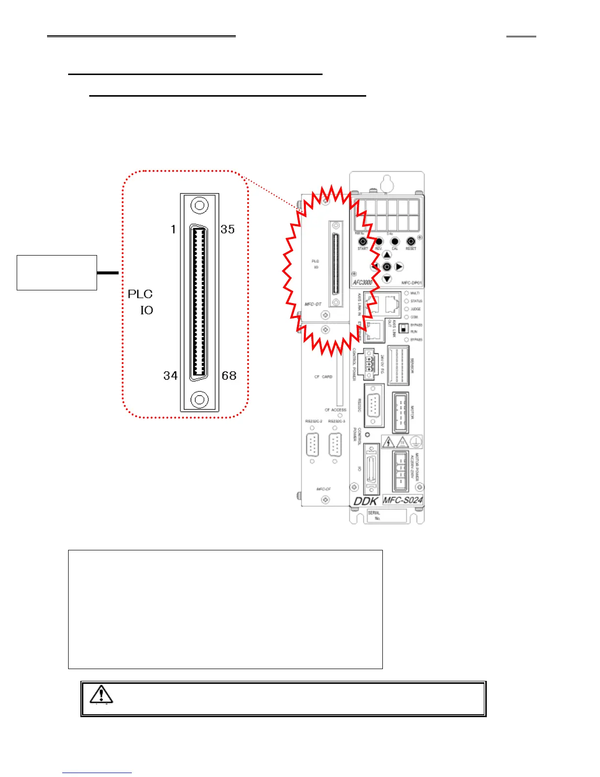
Expansion I/O allows additional I/O signals to be used (32IN / 32OUT) vs. the connector on the front of the
MFC controller. It is especially useful in MUTLIPLE Spindle systems where individual spindle output
status is desired using one connection point.
Compatible Connector
Manufacturer: Hirose Electric
Type: Cable connector Type: DX31A-68P (50)
Specifications: Applicable wire size AWG 28 or 0.08mm
2
Type: Cable connector case Type: DX-68-CV1
* The connecting cable is included with the equipment (model:
FEB-1643).
Be sure to connect the cable with all power turned OFF.
Expansion I/O
Connector
Front View of the Unit
Caution

Table of Contents

Other manuals for FEC AFC3000