EasyManua.ls Logo

FEC AFC3000 - Communication between Spindles Interface

FEC AFC3000
294 pages
Print Icon
To Next Page IconTo Next Page
To Next Page IconTo Next Page
To Previous Page IconTo Previous Page
To Previous Page IconTo Previous Page
Loading...
Chapter 4 Installation and Wiring
PAGE 4-64
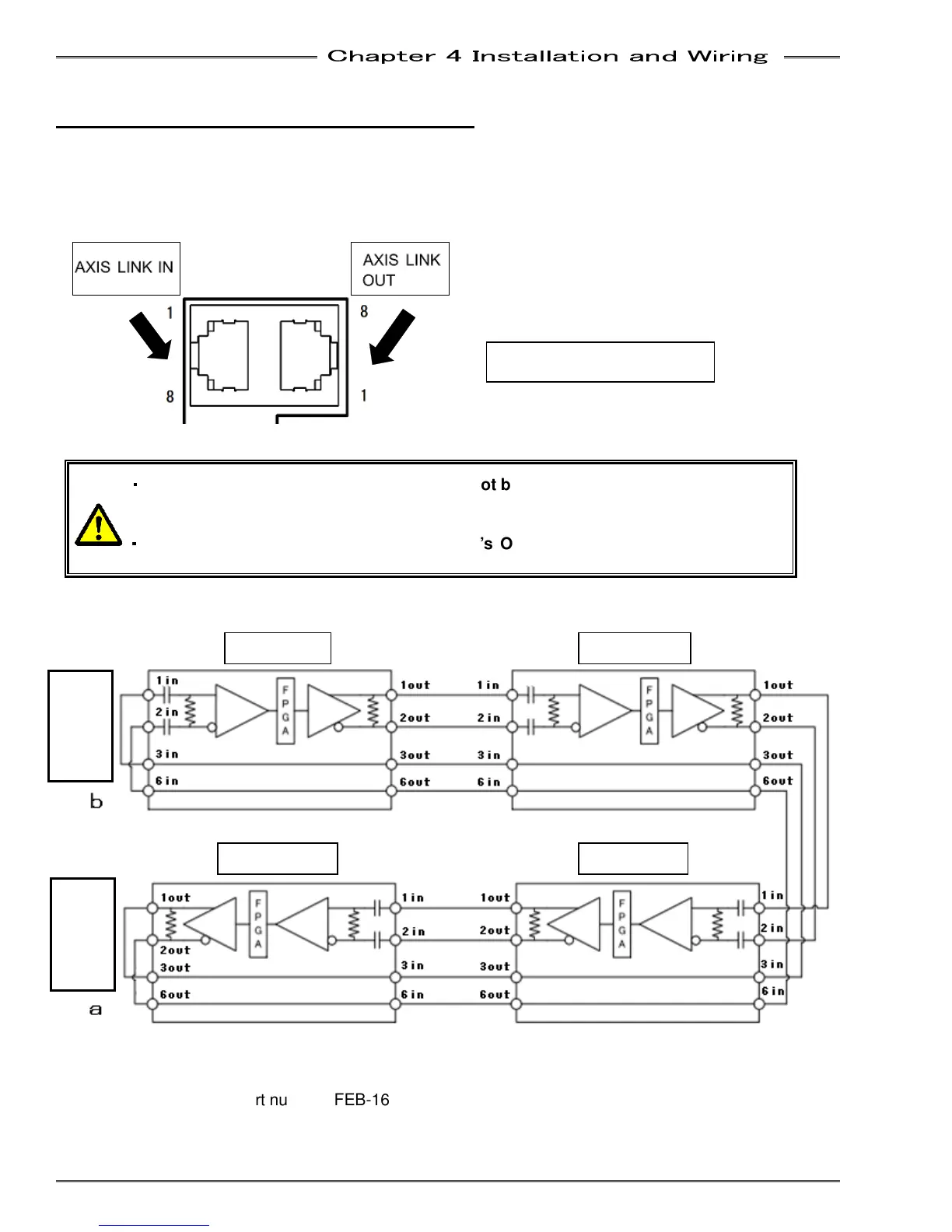
4-11 Communication between Spindles
The communication between spindles is conducted via a dedicated communication port on each MFC unit.
The AXIS LINK OUT connector of one unit must be connected with the AXIS LINK IN connector of the next
unit together one by one. Communication Link terminators must be installed in the AXIS LINK IN of the
Master unit and the AXIS LINK OUT of the last connected spindle.
The communication between spindles cannot be conducted by connecting IN to IN
or Out to OUT, because the signals of the Pin No. for IN and OUT connectors are
different.
The first spindle’s IN and the last spindle’s OUT should be connected via cable
communicating between spindles or via a terminator.
<Example of 4 Spindle Wiring>
Axis Link Terminator part number: FEB-1642 (DDK Part #C30-AL2 (2 pcs./set))
Compatible Plug
RJ-45
2
nd
Spindle
4
th
Spindle 3
rd
Spindle
LINK
Terminator
LINK
Terminator
1
st
Spindle

Table of Contents

Other manuals for FEC AFC3000