EasyManua.ls Logo

IMV K2 - Page 184

IMV K2
237 pages
Print Icon
To Next Page IconTo Next Page
To Next Page IconTo Next Page
To Previous Page IconTo Previous Page
To Previous Page IconTo Previous Page
Loading...
6 - 20
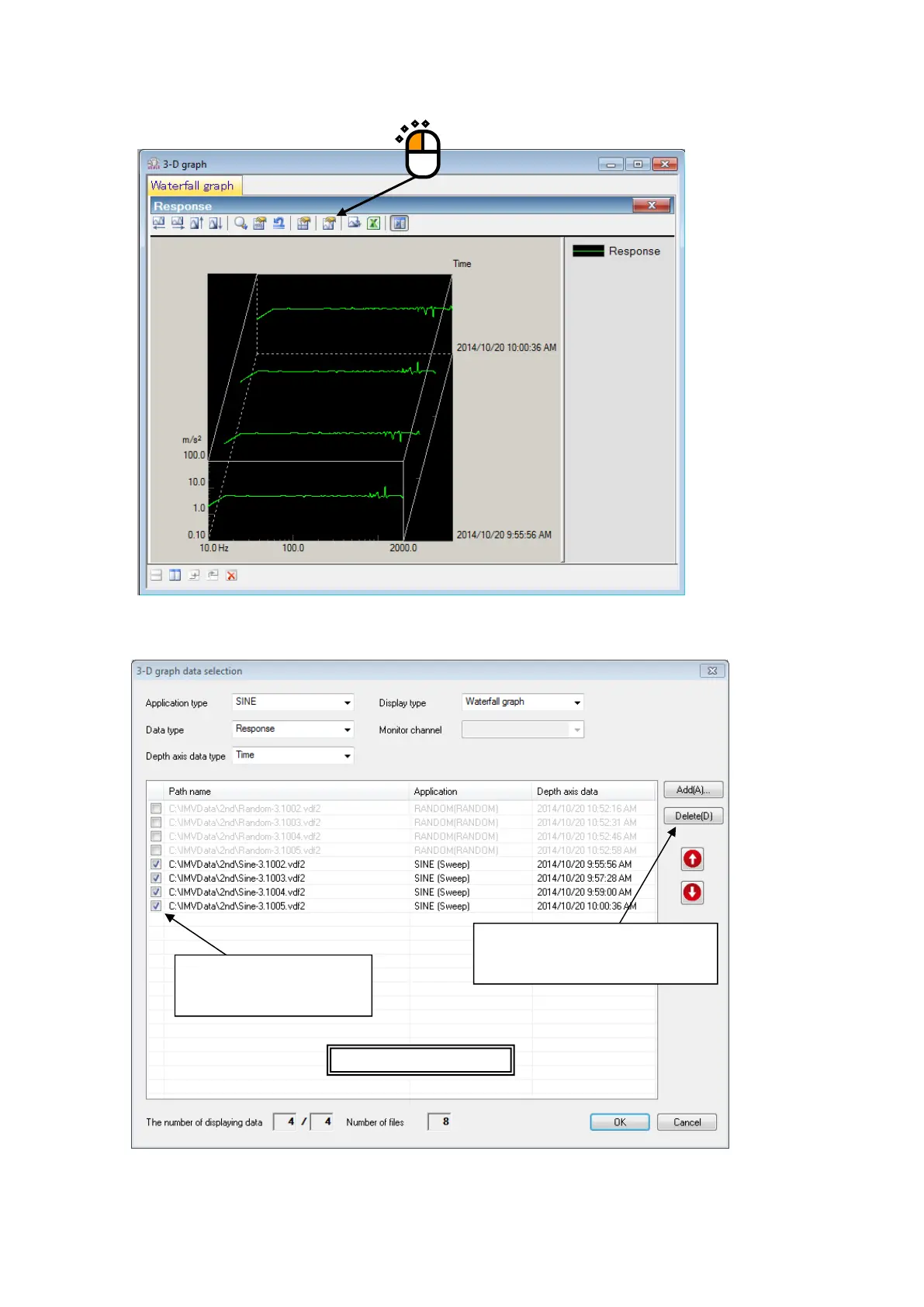
<Change of displayed graph>
Press the [graph change] button.
3D graph data selection dialogue appears. Addition or deletion of desired graph is allowed.
3D graph display area
Unchecked items are not the
objects of 3D graph.
Deletes from 3D graph display area
and 3D graph targets

Table of Contents