EasyManua.ls Logo

Keithley 2600B - 2 Wire Local Sensing Connections

Keithley 2600B
897 pages
Print Icon
To Next Page IconTo Next Page
To Next Page IconTo Next Page
To Previous Page IconTo Previous Page
To Previous Page IconTo Previous Page
Loading...
Section
2: General operation Series 2600B System SourceMeter® Instrument
Reference Manual
2-54 2600BS-901-01 Rev. C / August 2016
Figure 19: Model 2634B/2636B (Model 2635B similar)
When connecting to Models 2611B, 2612B, 2614B, 2634B, 2635B, and 2636B SMU outputs
using cables not rated for voltages above 42V, such as the 2600A-ALG-2, you must disable
the high voltage output by using the INTERLOCK function as defined in
Interlock
(on page 3-
88). Leaving the high voltage enabled while not properly insulating the external connections
to the instrument poses a shock hazard which could cause serious injury to the user. It is
also recommended that the LO connection terminal not be allowed to float by connecting it
to signal ground or another known signal reference.
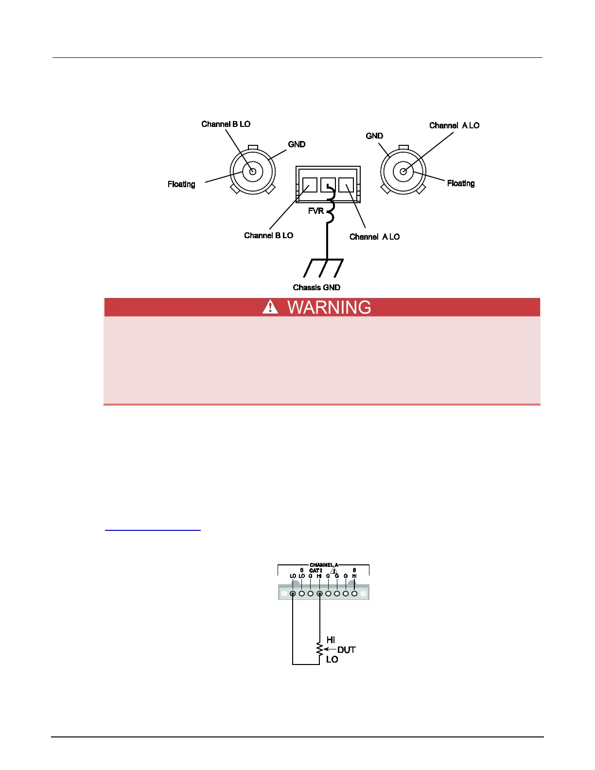
2-wire local sensing connections
You can use 2-wire local sensing measurements, shown in the following figure, for the following
source-measure conditions:
Sourcing and measuring current.
Sourcing and measuring voltage in high impedance (more than 1 k) test circuits.
When using 2-wire local sensing connections, make sure to properly configure the Series 2600B
Sense mode selection (on page 2-75
).
Figure 20: Two-wire resistance connections

Table of Contents

Related product manuals