EasyManua.ls Logo

Lenze 8200 - Central Supply for 821 X;822 X;824 X;93 XX;934 X

Lenze 8200
313 pages
Print Icon
To Next Page IconTo Next Page
To Next Page IconTo Next Page
To Previous Page IconTo Previous Page
To Previous Page IconTo Previous Page
Loading...
Network of several drives
8200SHB0199
10-17
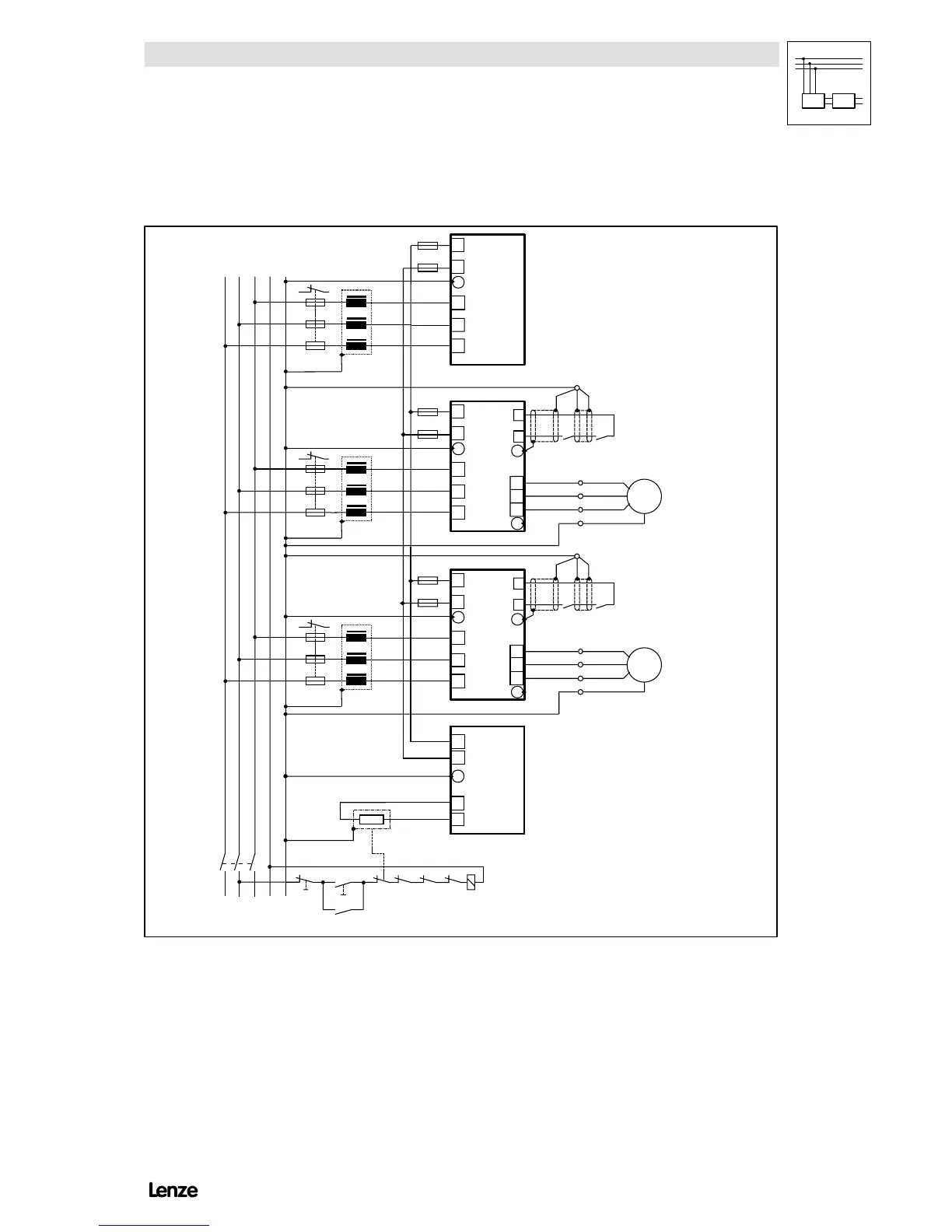
10.5.2 Central supply for 821X/822X/824X/93XX/934X
K1
K1
L3
N
PE
L1
L2
U
V
W
M
3~
PE
L1 L2 L3
F1
PE
+UG
-UG
PE
RB
ϑ
+UG
-UG
935X / 825X
PE
RB2
RB1
Z1
X1
Z3
RB
K1
F4
ON
OFF
28
xx
K1
RFR
PE
F2 F3
Z4
U
V
W
M
3~
PE
L1 L2
L3
821X/ 822X
824X/ 93XX
PE
+UG
-UG
PE
Z1
X2
28
K1
RFR
PE
L1
L2 L3
934X
PE
+UG
-UG
Z1
S1
S2
S3
S1
S2
S3
F5
821X/ 822X
824X/ 93XX
Z2
xx
FIG 10-5 Block diagram: Decentral supply of several controllers (821X/822X/824X/93XX/934X)
connected to a network
F1, F2, F3 Fuses, see Accessories
K10 Mains contactor
F4, F5 Fuses, DC level, see Accessories
Z1 Mains choke/mains filter, see Accessories
Z2 Supply module
Z3 Brake unit, see Accessories
Z4 Brake resistor
Artisan Technology Group - Quality Instrumentation ... Guaranteed | (888) 88-SOURCE | www.artisantg.com

Table of Contents

Other manuals for Lenze 8200

Related product manuals