EasyManua.ls Logo

Lenze 8200 - Air Conditioning System

Lenze 8200
313 pages
Print Icon
To Next Page IconTo Next Page
To Next Page IconTo Next Page
To Previous Page IconTo Previous Page
To Previous Page IconTo Previous Page
Loading...
Application examples
8200SHB019915-8
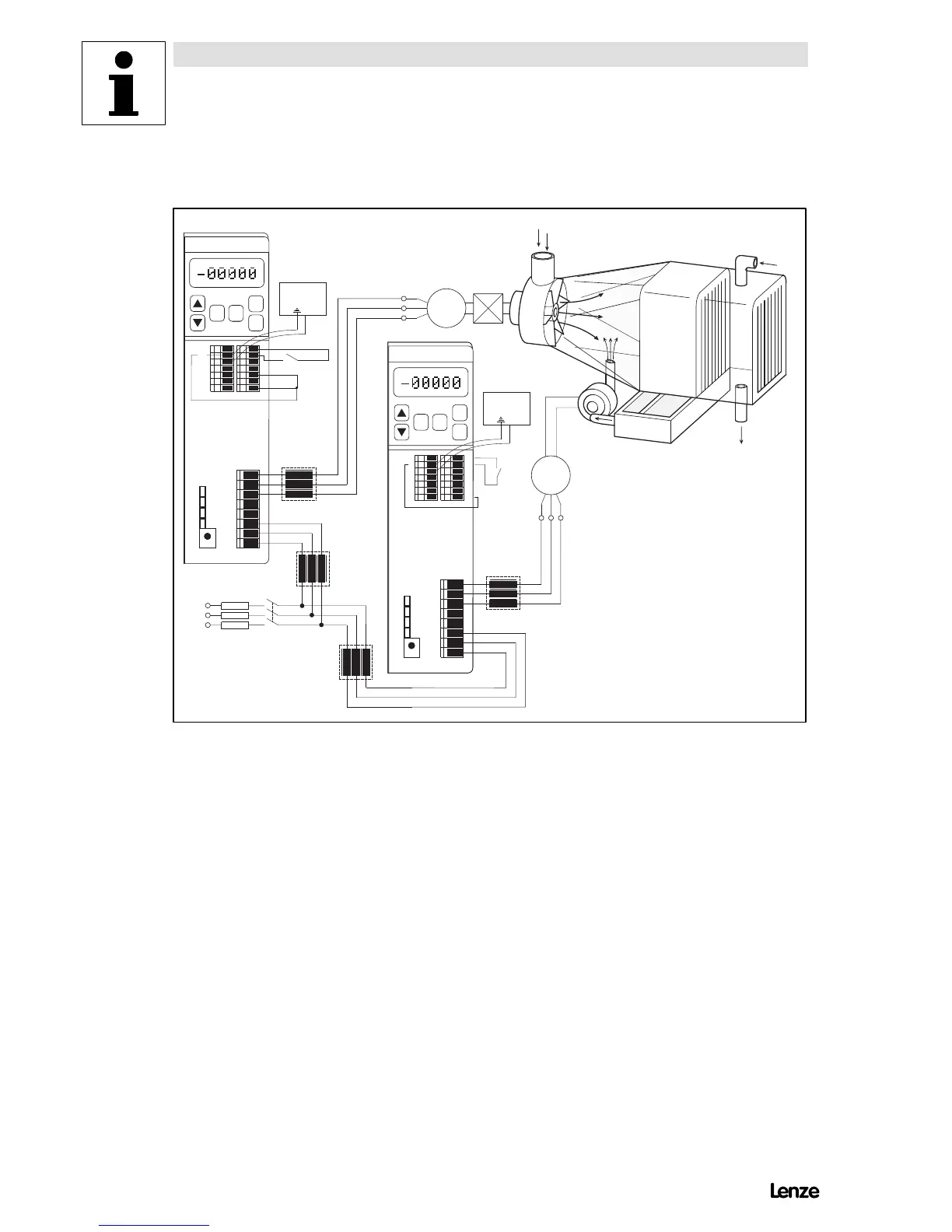
15.4 Air conditioning system
M
3~
M
3~
W
W
V
V
U
U
X1
X1
Z1
W
V
U
G
-U
G
+U
Z1
Z2
7
8
Control
DCC
Control
DCC
Z2
7
8
RUN
PRG
STP
SH
RUN
PRG
STP
SH
K1
F1
L1
L1
L2
L2
L3
L3
W
V
U
G
-U
G
+U
L1
L2
L3
E3
20
Ctrl.
enable
39
28
Belt
Condensation
unit
Circulating
pump
-
Water filters
-
Heat
exchanger
Cold
water
Hot
water
Water
injection
Speed setpoint
Speed setpoint
8210/8220/8240 with 8201BB keypad
Unit 1
Unit 2
L
39
20
28
Ctrl.
enable
FIG 15-4 Application example of an air conditioning system
Z1 Mains filter required for radio interference level A or B. For mains chokes see chapter 3.4 ff.
Z2 Motor filter/sine filter required for long motor cables or motors not designed for inverter operation
(see chapter4.2.7.2).
Shield all signal and motor cables. Please observe the corresponding installation instructions given in chapters 4.2
and 4.3.
Artisan Technology Group - Quality Instrumentation ... Guaranteed | (888) 88-SOURCE | www.artisantg.com

Table of Contents

Other manuals for Lenze 8200

Related product manuals