EasyManua.ls Logo

Lenze 8200 - Signal-Flow Charts; Signal-Flow Chart for Types 820 X; Control Structure

Lenze 8200
313 pages
Print Icon
To Next Page IconTo Next Page
To Next Page IconTo Next Page
To Previous Page IconTo Previous Page
To Previous Page IconTo Previous Page
Loading...
Signal flow charts
8200SHB019916-2
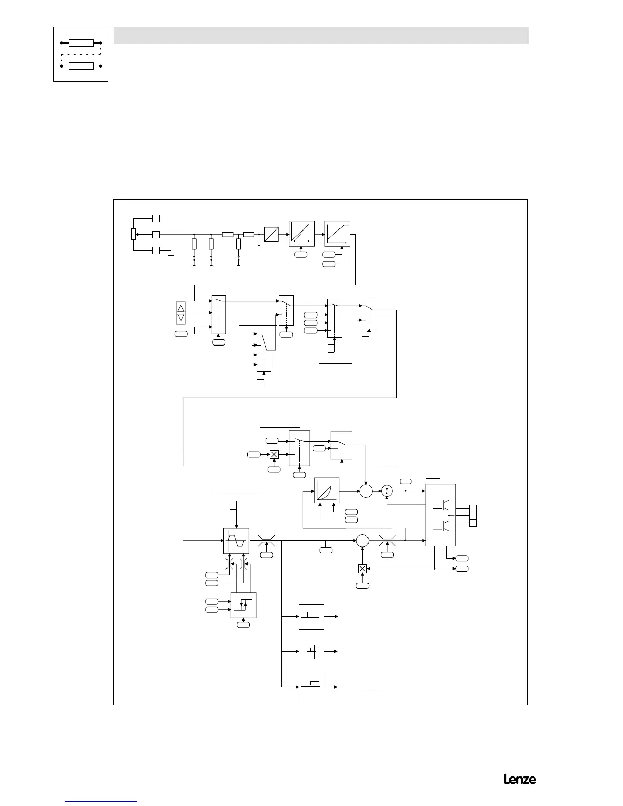
16.1 Signal-flow chart for types 820X
16.1.1 Control structure
Ctrl.
enable
DC
brake
Reset
C011
fdmax
C050
fd
+
+
C021
+
+
C016
2.3
C016
C056
Vmin
Vmin
Autoboost
Calculation of voltage
0.1
C014
Control
mode
C036
Inverter
Slip compensation
C054
Motor current IMot [A]
(act. value)
C056 Load display [%]
0.2
1.3
fd = fdset
Qmin reached
(Hysteresis = )
fdmax
128
0.1 Hz
fdset
0.1 Hz
C012
C013
C022
C023
C056
Ramp function generator
V
DC br.
fd = 0Hz
C015
C014
V/f ref. point
V/f characteristic
fd = 0Hz
U
V
W
9
8
7
GND
internal
REF
+ 5.2V
A
D
50k 100k
250R
100k
50k
12
34
56
Jumper
Filter
10n
04 20
0
1
C034
Offset
C011fdmax
C010fdmin
8201BB
Operating
unit
Setpoint
serial
interface
3
1
0,2
C001
Motor potentiometer
Constant
UP
DOWN
C007
Setpoint selection
00
01
10
11
0 - 9
14 - 20
JOG 1
JOG 2
QSP
DC brake
V
0 - 20mA
4 - 20mA
0 - 5V 0 - 10V
C046
10 - 13
21 - 22
0Hz
Bedienungsart
C038
C037
C039
0Hz
UP
DOWN
fdset
fdset
C052
Motor voltage
Vz - comp.
fd act
C011
FIG 16-1 Signal flow 8200: Control structure
Artisan Technology Group - Quality Instrumentation ... Guaranteed | (888) 88-SOURCE | www.artisantg.com

Table of Contents

Other manuals for Lenze 8200

Related product manuals