EasyManua.ls Logo

Lenze 8200 - Control Structure Control Mode Motor Current Control

Lenze 8200
313 pages
Print Icon
To Next Page IconTo Next Page
To Next Page IconTo Next Page
To Previous Page IconTo Previous Page
To Previous Page IconTo Previous Page
Loading...
Signal flow charts
8200SHB0199
16-5
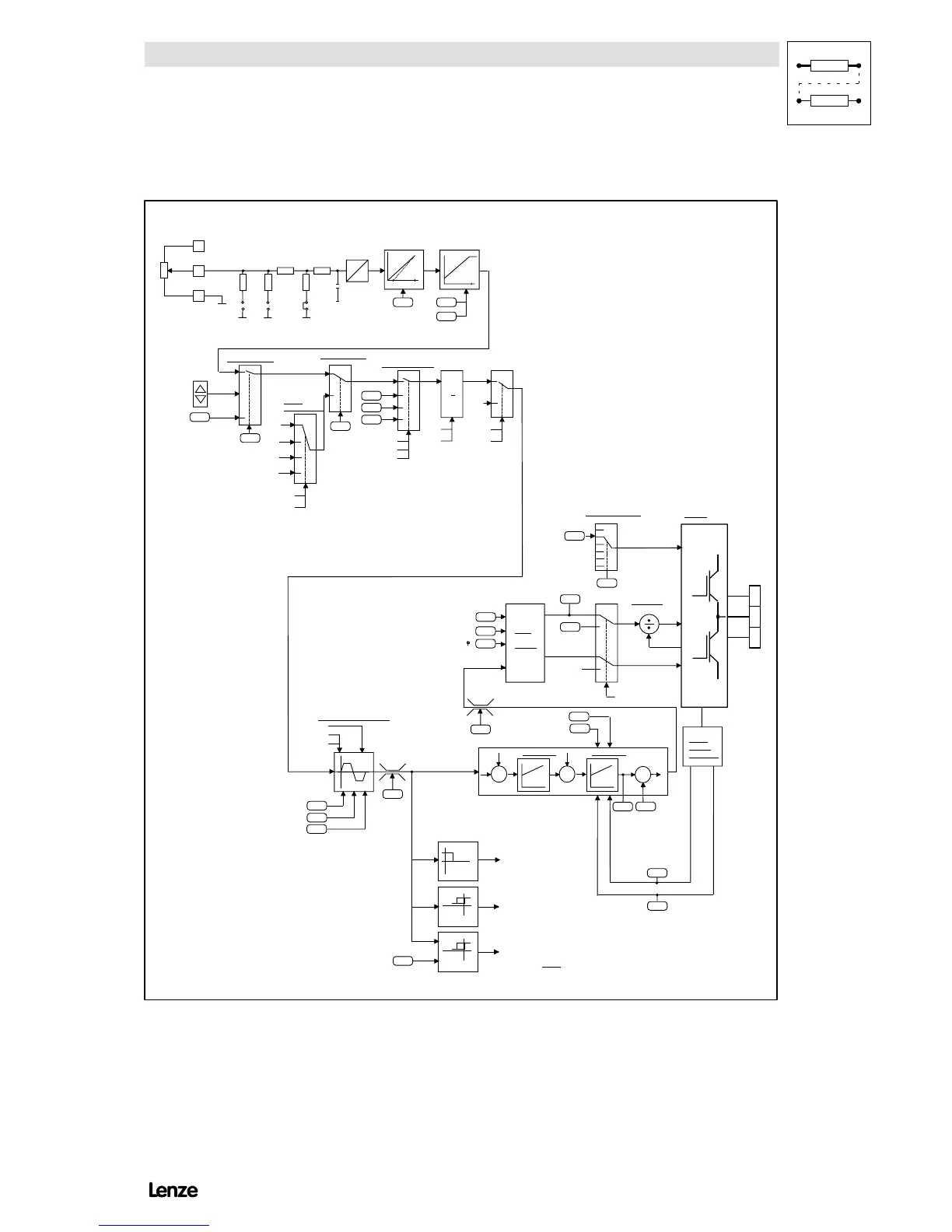
16.2.2 Control structure control mode motor current control
9
8
7
GND
internal
REF
+ 5,2V
A
D
50k 100k
250R
100k
50k
12
34
56
Jumper
Filter
10n
04 20
0
1
C034
Offset
C011fdmax
C010fdmin
8201BB
Operating
unit
Setpoint
serial
interface
3
1
0,2
C001
Motor
potentiometer
Constant
UP
DOWN
C007
Setpoint selection
00
01
10
11
0 - 9
14 - 20
JOG 1
JOG 2
QSP
DC brake
V
0 - 20mA
4 - 20mA
0 - 5V 0 - 10V
C046
10 - 13
21 - 22
0Hz
Operating mode
C038
C037
C039
QSP
UP
DOWN
JOG 3
Inverter
Vz - comp.
Terminal config.
Motor
current
evaluation
C056
Load display [%]
CW
CCW
1
+
x
11
10
01
00
C054
Motor current [A]
(Act. value)
V
DC brake
C015
V/f ref. point
C088
V
C052
Motor voltage
C036
fdact
0Hz
DC brake /
Auto DC brake
Motor
model.
Rated motor current
Motor cos
C091
C144
Chopper frequency
0
1
2
3
4
5
C018
C023
Limit value generator
mode
C022
Limit value motor mode
Ctrl.
enable
DC brake
Reset
C012
C013
Ramp function generator
C105
C011
fdmax
C050
fd set
fd
QSP
Slip comp.
U
V
W
n-controller
-
+
M-controller
-
+
fd = fd set
0.1 Hz
fd = 0Hz
Qmin reached
(Hysteresis = )
fdmax
128
Qmin
fd set
C017
Qmin
C011
+
C021
FIG 16-5 Signal-flow 821X/822X/824X: Control structure control mode motor current control
Artisan Technology Group - Quality Instrumentation ... Guaranteed | (888) 88-SOURCE | www.artisantg.com

Table of Contents

Other manuals for Lenze 8200

Related product manuals