EasyManua.ls Logo

Lenze 8200 - Page 300

Lenze 8200
313 pages
Print Icon
To Next Page IconTo Next Page
To Next Page IconTo Next Page
To Previous Page IconTo Previous Page
To Previous Page IconTo Previous Page
Loading...
Signal flow charts
8200SHB019916-8
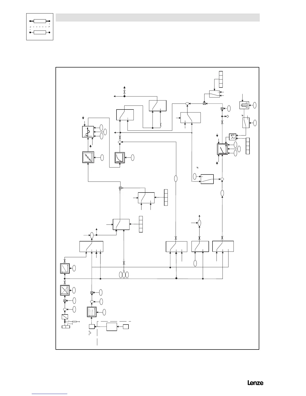
16.3.2 Process and speed controller for C005 = -1- ... -7-
K35.0134
X1
1
1
8
7
A
D
+
+
C 026
C 027
C 034
S1/4
250R
+
+
C 427
C 426
O ffs e t
Gain,
in v e r s e
setp oint
C u rre n t m a s te r
value
0 ... 2 0 m A /
4 ... 2 0 m A
Offset
Gain
E1
C 425
Norm alisation
frequency input
VCO
Ex
0 ... 10 kH z
C 010
C046
C 005
C 005
C 037
C 038
C 039
3 JO G
setpoints
C onfiguration
f
dm ax
f
dm ax
0
0
f
dm in
-2 -,-3 -,-5 -,-7 -
K e y p a d , L E C O M , m o to r p o te n tio m e te r
S p e e d lim ita tio n
w ith to rq u e c o n tro l
C 005 = 5
LEC O M
-6 -
-1 -
f
dm ax
J O G se tp o in ts -1 - ... -3 -
Enable
JO G
setpoint
E1 E2
E3
E4
D ire c tio n o f ro ta tio n
E1 E2
E3
E4
LEC O M
Free digital
in p u t s
D ig ita l in p u ts
-0 -
1
-1 -
-1
C 005
C 005
C022
C047
C onfiguration
C onfiguration
C onfiguration
-1 -
-2 -
-3 -,-6 -,-7 -
0
-1 -,-2 -,
-6 -,-7 -
-3 -,-4 -,-5 -
-1 -,-2 -,-3 -,
-4 -,-5 -
0
-7 -
-6 -
C 049
1.5 * IN unit
1.0 * f
dm ax
-1 .0 * f
dm ax
1.5 * f
dm ax
Keypad, LECOM ,
m o to r p o te n tio m e te r
C 051
0
C 0 0 5 = -3 - Im a x - in d ire c t
to rq u e lim ita tio n
C 0 0 5 = -4 - a n d -5 -
Torque setpoint w ith
torque control (C 014 = -4-)
D isplay act. value
C 181
C181=0
C181 0
+
-
Influence 0
PID
c o n tr o lle r
1
-1
E1 E2
E3
E4
Free digital
in p u t s
C070
C 071
C072
V
P
K
d
T
N
C008
C017
1
0
-7 -
R eset I com ponent
C 074
E1 E2
E3
E4
Free digital
in p u ts
C 238
-0 -
0
-1 -
Keypad, LECOM
+
+
Frequency
precontrol
C 239
C 005
-1 -
0
-0 -
Output
frequency
Q Min
C onfig uration
f
dm ax
-f
dm ax
C012
C105
C013
C182
RFG-S-SHAPE
Auto DSB
Ti S-shape
C625 to C628
Skip frequencies
Ram p function generator
Plug-in
module
-0 -
Analog setpoint
u n ip o la r (fd m in ... fd m a x )
PID controller
output
In flu e n c e
PID controller
Q MIN
Q MIN-threshold
1
1
0
0
0 ... 10 V
-4 -
0
f
dm ax
-f
dm ax
7
Reset
Control
inhibit,
DCB
Stop
LU , O U
+
C ontrol inhibit,
DCB,LU,OU
Reset
Stop
Im a x , A u to D C B
-1 -....-5 -
-6 -,-7 -
FIG 16-9 Process and speed controller for C005 = -1- ... -7-
Artisan Technology Group - Quality Instrumentation ... Guaranteed | (888) 88-SOURCE | www.artisantg.com

Table of Contents

Other manuals for Lenze 8200

Related product manuals