EasyManua.ls Logo

REXROTH SYNAX200 - Setting Up the SYNAX200 Ring; Fibre-Optics Cable Transmission and Types

REXROTH SYNAX200
168 pages
Print Icon
To Next Page IconTo Next Page
To Next Page IconTo Next Page
To Previous Page IconTo Previous Page
To Previous Page IconTo Previous Page
Loading...
SYNAX200 Set-Up SYNAX200 Ring 8-1
DOK-SYNAX*-SY*-07VRS**-PR01-EN-P
8 Set-Up SYNAX200 Ring
8.1 Data Transmission via Fibre-Optics Cable
Optical Transmission Ring Structure
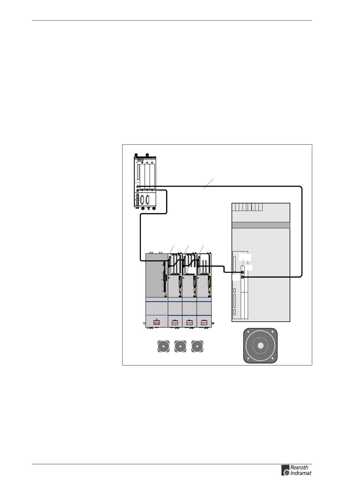
The connection between the motion control (PPC) and the digital drives is
conducted with help of fibre-optics cables (LWL).
A ring structure as defined in SERCOS interface (IEC 61491 or EN
61491) is used.
PPC-R
RX
TX
RX
TX
Fibre-optics cable (LWL) length: C-0-0007
DSS DSS DSS
DSS
TX
RX
Fig. 8-1: Ring structure
The ring starts and ends at the motion control. The optical output of the
motion control is connected with the optical input of the first drive. Its
output is connected to the input of the next drive and so on. The output of
the final drive is connected to the input of the motion control.
Each drive is assigned its own drive address. It can be selected
independently of the position within the fibre-optics cable ring. The drive
address is set at the communications board (e.g., DSS 2.1) using a rotary
switch.
SERCOS interface (IEC 61491 or
EN 61491)
Drive address

Table of Contents

Related product manuals