EasyManua.ls Logo

SUNWARD SWE50E - Circuit Diagram

SUNWARD SWE50E
240 pages
Print Icon
To Next Page IconTo Next Page
To Next Page IconTo Next Page
To Previous Page IconTo Previous Page
To Previous Page IconTo Previous Page
Loading...
OPERATION & MAINTENANCE MANUAL SWE50E/SWE60E/SWE70E/SWE80E9/SWE100
210
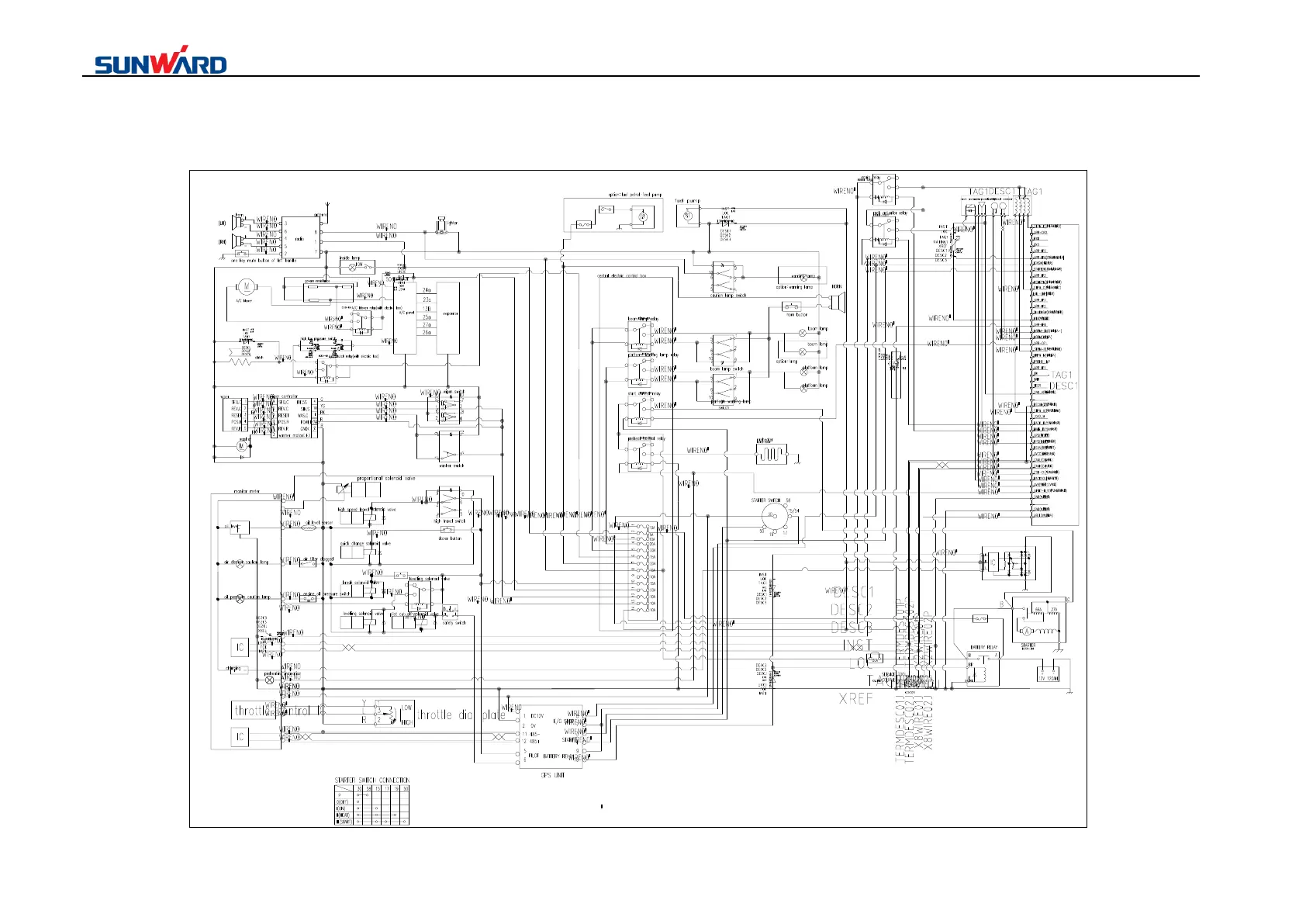
5.4.4 Circuit diagram
FUSE
ALTERNATOR
2B
2R2RL
SWITCH
FUEL PUMP
FUEL PUMP
-
+
B+
FUSE 20A

Table of Contents

Related product manuals