EasyManua.ls Logo

SUNWARD SWE50E - Hydraulic Diagram

SUNWARD SWE50E
240 pages
Print Icon
To Next Page IconTo Next Page
To Next Page IconTo Next Page
To Previous Page IconTo Previous Page
To Previous Page IconTo Previous Page
Loading...
OPERATION & MAINTENANCE MANUAL SWE50E/SWE60E/SWE70E/SWE80E9/SWE100
219
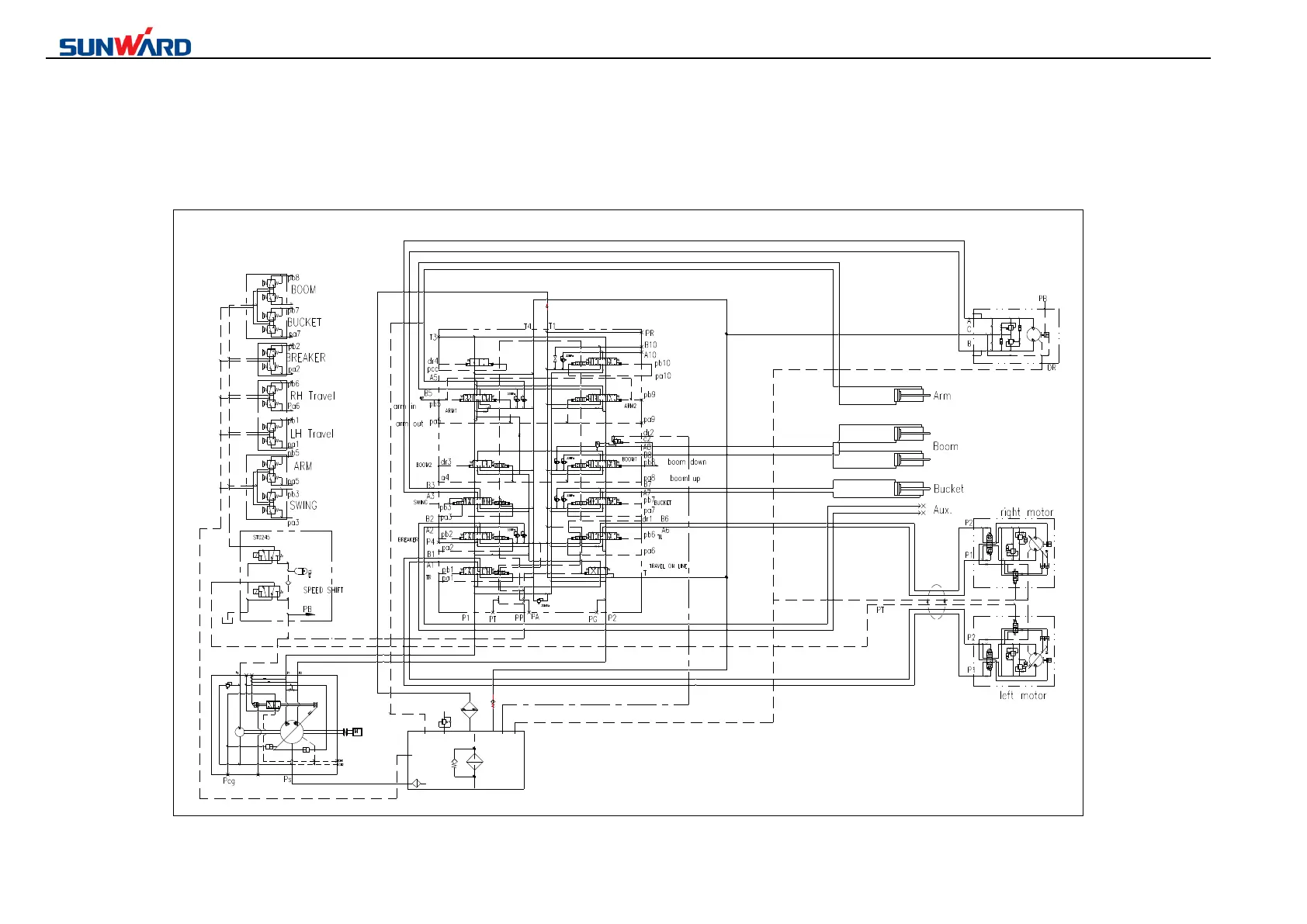
5.5.6 Hydraulic diagram

Table of Contents

Related product manuals