EasyManua.ls Logo

Tettex 2293 - Summary

Tettex 2293
226 pages
Print Icon
To Next Page IconTo Next Page
To Next Page IconTo Next Page
To Previous Page IconTo Previous Page
To Previous Page IconTo Previous Page
Loading...
18
Safety
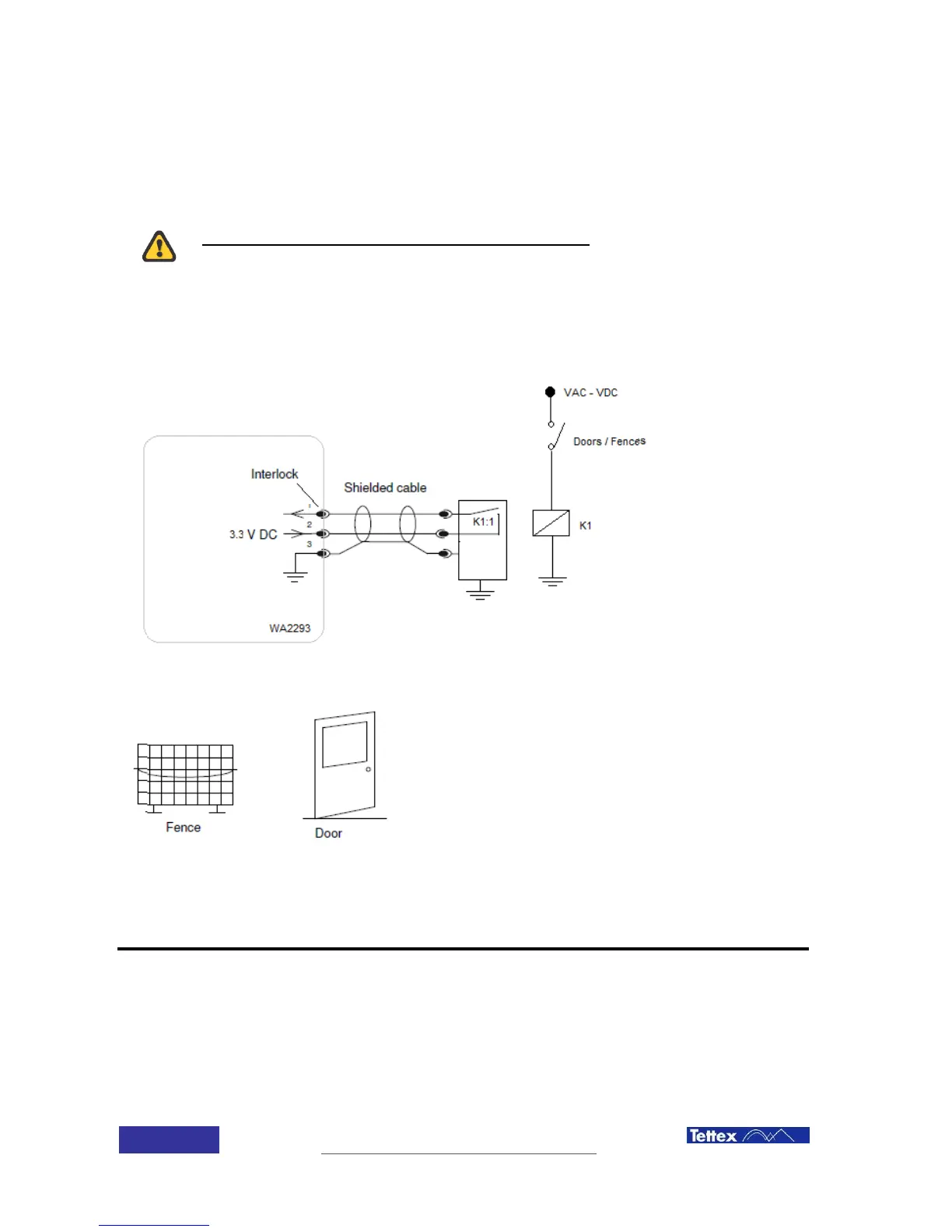
To avoid damaging the device due to induced overvoltage’s or wrong connections, the Interlock
input of the 2293 has to be connected to the safety circuit only by using a relay contact trough
short screened cables.
Opening the Interlock doesn’t mean a safe situation by itself, as the test object
(transformer) has been charged while measuring and stored energy has to be removed.
Once Interlock is opened the instrument will start the discharging of the test and special
caution has to be taken not to go into the test area until the red LEDS (14) are off.
1. Interlock connection example
2.4 Summary
Note: Many accidents that happen around high voltage equipment involve personnel who are
familiar, and perhaps too familiar, with high voltage equipment. Staying alert and ever watchful
requires constant training and awareness of the inherent hazards. The greatest hazard is the

Table of Contents