EasyManua.ls Logo

TOHATSU BFT75A - Page 150

TOHATSU BFT75A
609 pages
Print Icon
To Next Page IconTo Next Page
To Next Page IconTo Next Page
To Previous Page IconTo Previous Page
To Previous Page IconTo Previous Page
Loading...
5-9
dummyheaddummyhead
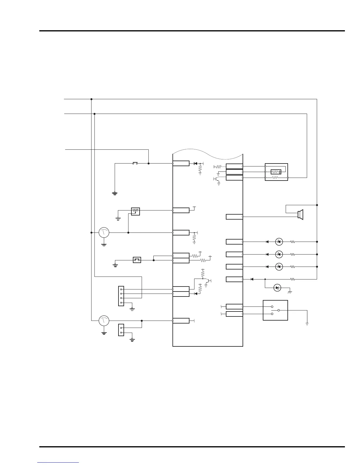
FUEL SYSTEM
B27
O2
SG2
O2HT
B22
DLC
VCC3
NTSW
H02S
WARNING
BUZZER
TRIM
METER
TACHOMETER
A6
TRMA
B30
EMS1
B31
EMS2
A11
K-LINE
B33
SCS
A4
TACHO
A27
B25
A18
BUZZ
A19
TLUP
B11
TLDN
B12
UP
DOWN
5 V
12 V
12 V
5 V
5 V
NEUTRAL
SWITCH
NEUTRAL
SWITCH
EMERGENCY
STOP SWITCH
TRIM
ANGLE
SENSOR
ENGINE SPEED
CHECK
CONNECTOR
TROLLING
CONTROL
SWITCH
(OP)
ACGLP
A2
WARNL
A3
OHL
A32
OPL
A31
OIL
OVERHEAT
PGM-FI
ALTERNATOR

Table of Contents

Related product manuals