EasyManua.ls Logo

TOHATSU BFT75A - Cylinder Head Assembly; Disassembly

TOHATSU BFT75A
609 pages
Print Icon
To Next Page IconTo Next Page
To Next Page IconTo Next Page
To Previous Page IconTo Previous Page
To Previous Page IconTo Previous Page
Loading...
14-22
dummyheaddummyhead
CYLINDER HEAD
CYLINDER HEAD ASSEMBLY/DISASSEMBLY
DISASSEMBLY
Mark the removed parts (e.g. valves, springs, and
other related parts) and store them securely,
grouping them by intake side and exhaust side for
each cylinder. Install each part in the original
position on the assembly.
Remove the following:
Cylinder head (page 14-19)
Water jacket (page 11-4)
Oil pump (page 12-7)
VTEC solenoid valve (page 5-82)
ECT sensor 3 (page 5-85)
CMP sensor (page 5-83)
HO2S (page 5-82)
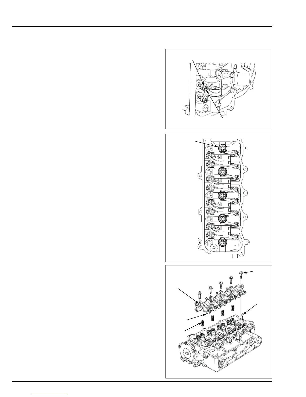
Loosen the rocker arm lock nut [1], and loosen the
adjusting screw [2] fully.
Loosen the five rocker shaft bolts [1] in the numbered
sequence shown in two or three steps.
Remove the five rocker shaft bolts [1]. Remove the
rocker shaft assembly [2] and dowel pin [3].
Bundle the rocker arm assembly of each cylinder
with a strap [4] during removal of the rocker shaft
assembly.
Remove the four lost motion springs [5] from the
cylinder head assembly.
[2]
[1]
[1]
1.
3.
5.
4.
2.
[1]
[2]
[3]
[5]
[4]

Table of Contents

Related product manuals