EasyManua.ls Logo

TOHATSU BFT75A - Page 245

TOHATSU BFT75A
609 pages
Print Icon
To Next Page IconTo Next Page
To Next Page IconTo Next Page
To Previous Page IconTo Previous Page
To Previous Page IconTo Previous Page
Loading...
5-104
dummyheaddummyhead
FUEL SYSTEM
CIRCUIT INSPECTION
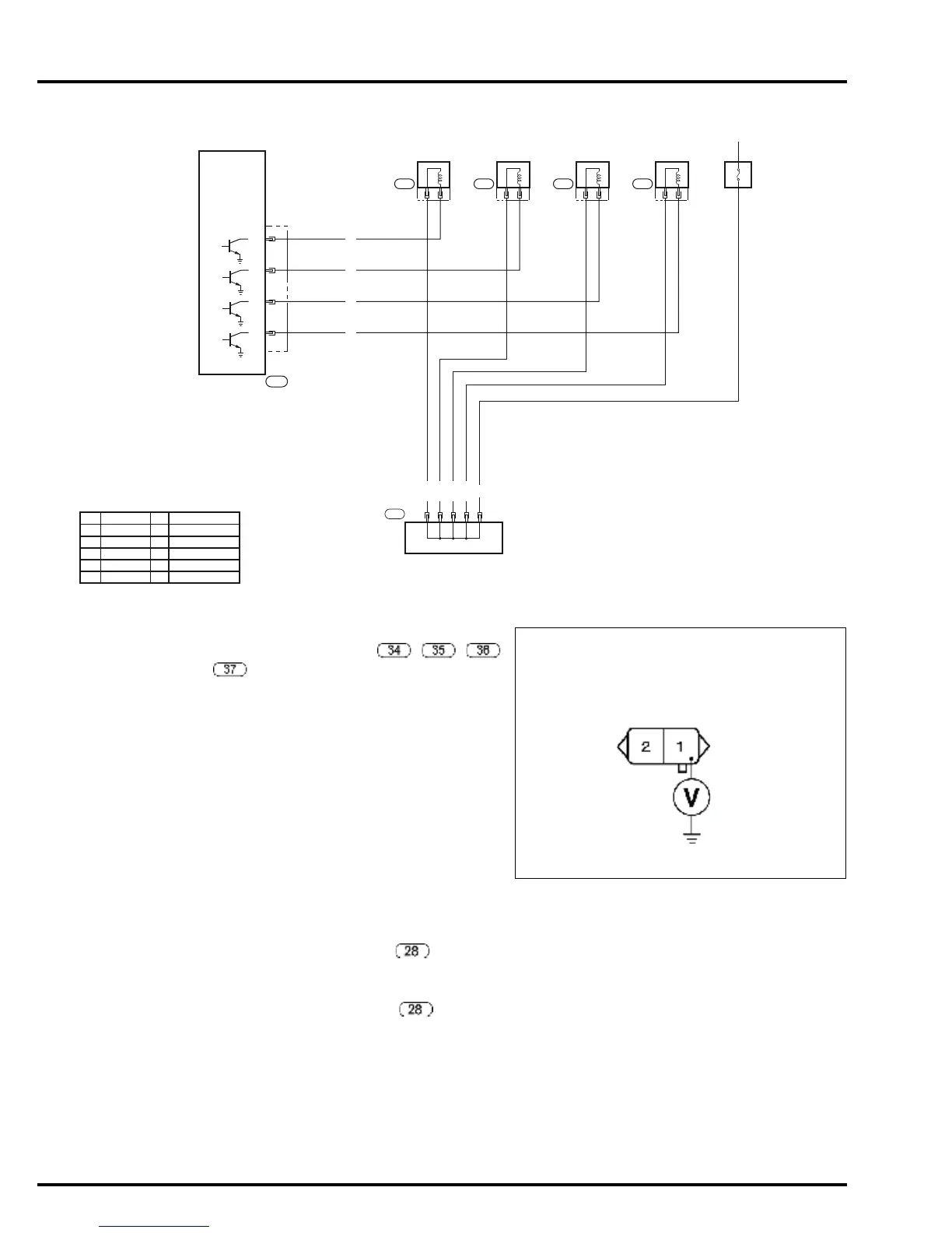
1. Fuel injector power line open circuit inspection
Turn the combination switch OFF and disconnect
the fuel injector 2P connectors , , ,
and .
Turn the combination switch ON.
Measure the battery voltage between each fuel
injector 2P connector main wire harness side No.1
(Yellow/Black) terminal and ground.
Is battery voltage present?
YES GO TO STEP 2.
NO Repair the open in the wire harness
between the No.5 fuse and fuel injector.
Faulty joint connector 1
2. Fuel injector signal line open or short circuit
Inspection
Turn the combination switch OFF.
Disconnect the ECM connector B .
Check for open or short circuit between each fuel
injector 2P connector main wire harness side No.2
terminal and ECM connector B main wire
harness side terminal.
Is circuit normal?
YES Circuit is normal.
NO Repair the open or short circuit wire
between the fuel injector and ECM.
Y
Bu
R
Br
37 36 35 34
No.5
FUSE
2418192021
INJ2
INJ1
INJ3
INJ4
16 15 14 13
12 212121
28
ECM
JOINT CONNECTOR 1
13
FUEL
INJECTOR 4
FUEL
INJECTOR 3
FUEL
INJECTOR 2
FUEL
INJECTOR 1
(15 A)
Y/Bl
Y/Bl
Y/Bl
Y/Bl
Y
BLACK
YELLOW
BLUE
GREEN
RED
WHITE
BROWN
ORANGE
LIGHT BLUE
LIGHT GREEN
PINK
GRAY
Bl
Y
Bu
G
R
W
Br
O
Lb
Lg
P
Gr
FUEL INJECTOR 2P CONNECTOR
MAIN WIRE HARNESS SIDE
IGP 2
(Yellow/Black)

Table of Contents

Related product manuals