EasyManua.ls Logo

Xerox WorkCentre 5024 - CH34.1 Fax

Xerox WorkCentre 5024
698 pages
Print Icon
To Next Page IconTo Next Page
To Next Page IconTo Next Page
To Previous Page IconTo Previous Page
To Previous Page IconTo Previous Page
Loading...
06/2014
7-83
WC 5022/5024
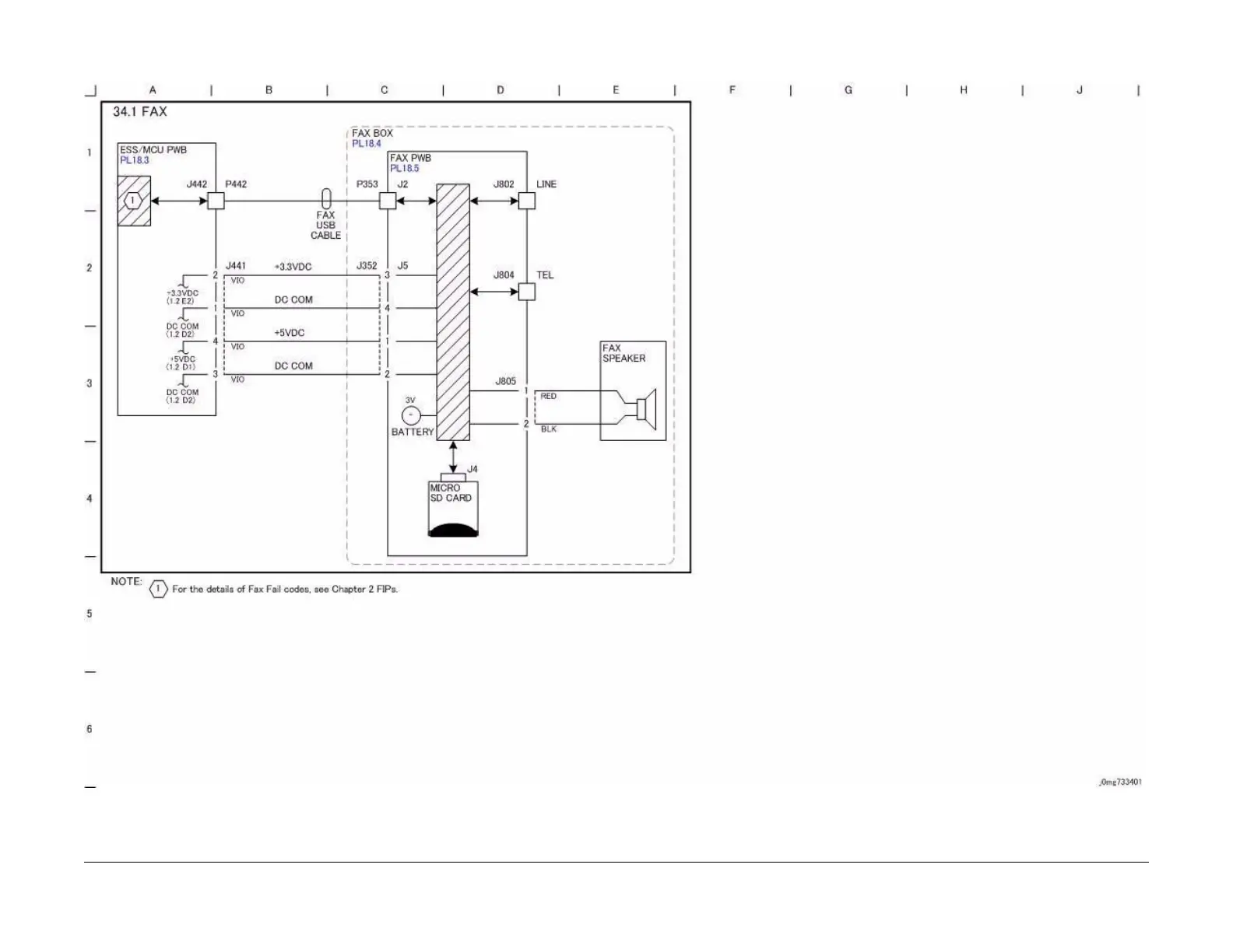
CH34.1 Fax
Wiring Data
Version 1.0
CH34.1 Fax
Figure 1 j0mg733401
PL
18.3
PL
18.5
PL
18.4

Table of Contents

Other manuals for Xerox WorkCentre 5024

Related product manuals