EasyManua.ls Logo

YASKAWA P1000

YASKAWA P1000
594 pages
To Next Page IconTo Next Page
To Next Page IconTo Next Page
To Previous Page IconTo Previous Page
To Previous Page IconTo Previous Page
Loading...
u
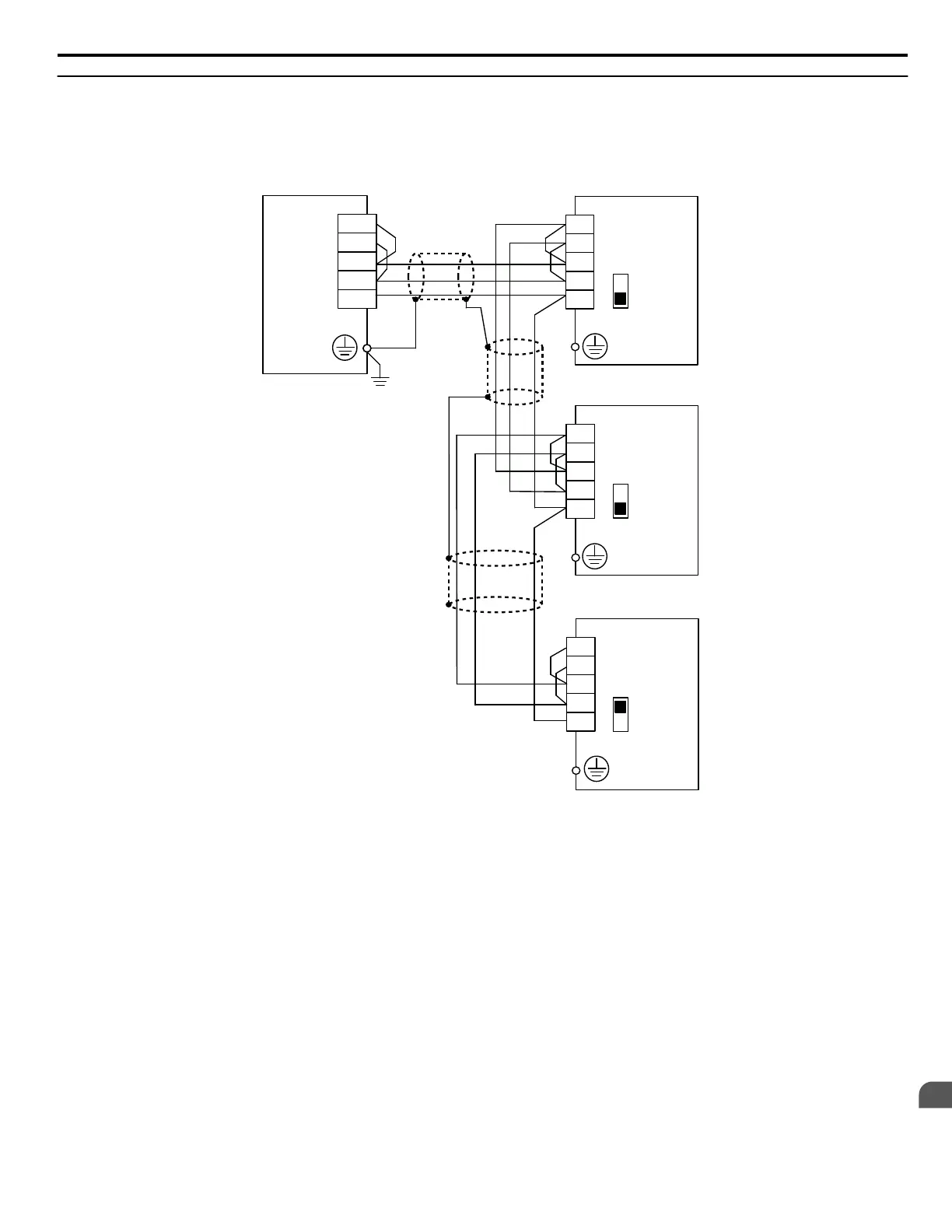
Wiring Diagram for Multiple Connections
Figure C.3 and Figure C.4 explain the wiring diagrams for multiple connections using MEMOBUS/Modbus communication.
n
RS-485 Interface
Note: The isolated ground (IG) connection is optional but strongly recommended to improve network immunity to electrical interference.
Drive
Drive
Drive
S2
S2
S2
S–
S+
R–
R+
IG
S–
S+
R–
R+
IG
S–
S+
R–
R+
IG
OFF
OFF
ON
R–
R+
S–
S+
IG
Controller
Figure C.3 RS-485 Interface
Note: 1. Set DIP switch S2 to the ON position on the drive located at the end of the network. Set DIP switch S2 to the OFF positions on all other
slave devices.
2. Set H5-07 to 1 when using the RS-485 interface.
C.3 Connecting to a Network
YASKAWA SIEP YAIP1U 01C AC Drive - P1000 Technical Manual
509
C
MEMOBUS/Modbus
Communications

Table of Contents

Other manuals for YASKAWA P1000

Related product manuals