EasyManua.ls Logo

Analog Devices adsp-2100 - Page 62

Analog Devices adsp-2100
486 pages
Print Icon
To Next Page IconTo Next Page
To Next Page IconTo Next Page
To Previous Page IconTo Previous Page
To Previous Page IconTo Previous Page
Loading...
Program Control3
3 – 2
INTERRUPT
CONTROLLER
CONDITION
LOGIC
LOOP
STACK
DMD BUS
NEXT
ADDRESS
SOURCE
SELECT
INCREMENT
PROGRAM
COUNTER
NEXT ADDRESS MUX
PC
STACK
PMA BUS
MUX
STATUS
REGISTERS
STATUS
STACK
COUNT
STACK
CNTR
(Counter)
CE OUT
CONDITION CODE
ADDRESS OF JUMP/CALL
FUNCTION FIELD
ADDRESS OF LAST
INSTRUCTION IN LOOP
&
TERMINATION
CONDITION
from INSTRUCTION REGISTER
LOOP
COMPARATOR
ARITHMETIC
STATUS
(from ALU)
INTERRUPTS
MUX
MUX
from
FI Pin
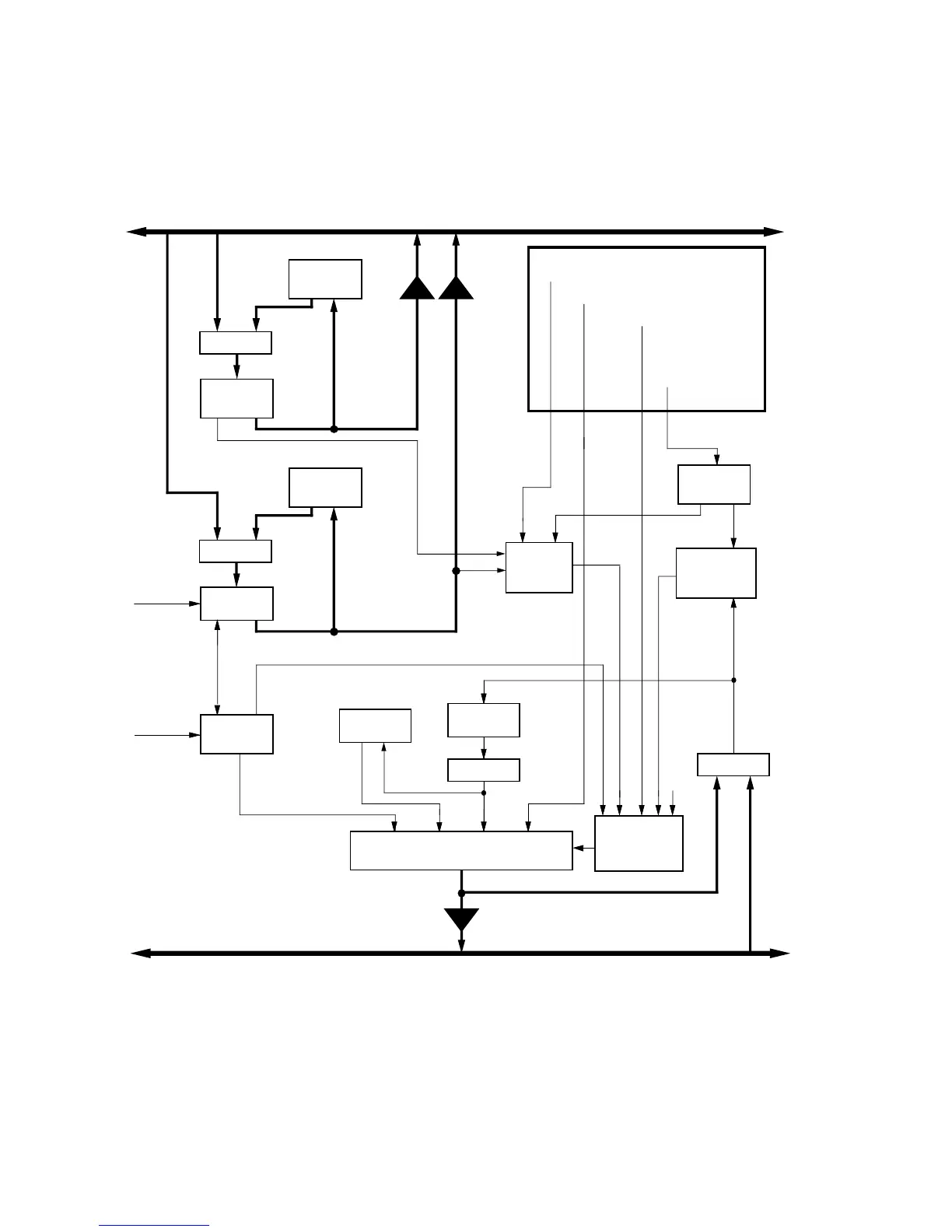
Figure 3.1 Program Sequencer Block Diagram

Table of Contents

Related product manuals