EasyManua.ls Logo

Anritsu MT8212E - TD-SCDMA Signal Analyzer Verification, Options 60 and 61

Anritsu MT8212E
640 pages
Print Icon
To Next Page IconTo Next Page
To Next Page IconTo Next Page
To Previous Page IconTo Previous Page
To Previous Page IconTo Previous Page
Loading...
Option Verification 5-14 TD-SCDMA Signal Analyzer Verification, Options 60 and 61
MT8212E and MT8213E MM PN: 10580-00255 Rev. J 5-69
5-14 TD-SCDMA Signal Analyzer Verification, Options 60 and 61
Option 60, Option 61, or Both
The tests in this section verify the performance of the optional TD-SCDMA Signal Analyzer option of the
MT821xE Cell Master.
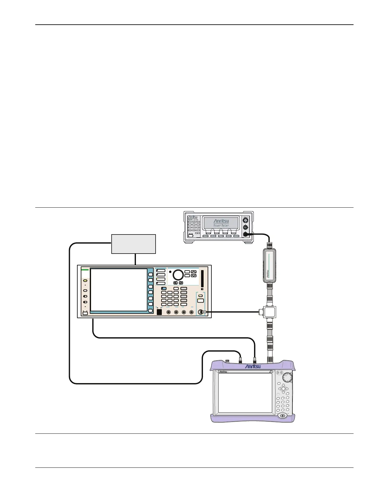
Equipment Required
Anritsu MG3700A Vector Signal Generator
Anritsu ML2438A Power Meter
Anritsu MA2482D Power Sensor
Anritsu 34NN50A Adapter
Anritsu 15NN50-1.5C RF Coaxial Cable
Aeroflex/Weinschel 1870A Power Splitter
Aeroflex/Weinschel 44-10 10 dB Fixed Attenuator (2)
Anritsu PN 2000-1627-R Coaxial Cables (3)
10 MHz Reference Standard
Setup
Figure 5-12. TD-SCDMA Signal Analyzer Option Verification
MT821xE Cell Master
Power Charge
+/-
.
0
3
Sweep
2
Calibrate
1
Preset
6
Limit
5
Trace
4
Measure
9
Mode
8
System
7
File
Shift
Back
Enter
ESC
CellMaster
MT8212E
MG3700A Vector Signal Generator
Function
Ethernet Control Input Modulation Input
Cursor/Edit
RF Output
3
MG3700
Vector Signal
Generator
250kHz-6GHz
ML2438A Power Meter
10 MHz
Reference
From: VSG AUX Input/Ouput Connector 1
To: MT821xE Ext Trigger In
From: 10 MHz Reference
To: MT821xE Ext Reference
MA2482D
Power Sensor
1870A
Power Splitter
10 dB Attenuator
10 dB Attenuator
N(m) to N(m)
Adaptor

Table of Contents

Related product manuals