EasyManua.ls Logo

Baumuller b maXX BM1000 - Installation Space Frame 2 and 3

Baumuller b maXX BM1000
176 pages
Print Icon
To Next Page IconTo Next Page
To Next Page IconTo Next Page
To Previous Page IconTo Previous Page
To Previous Page IconTo Previous Page
Loading...
Mounting
Manual b maXX
®
BM1000
Document No. 5.07003.04
37
of 174
5
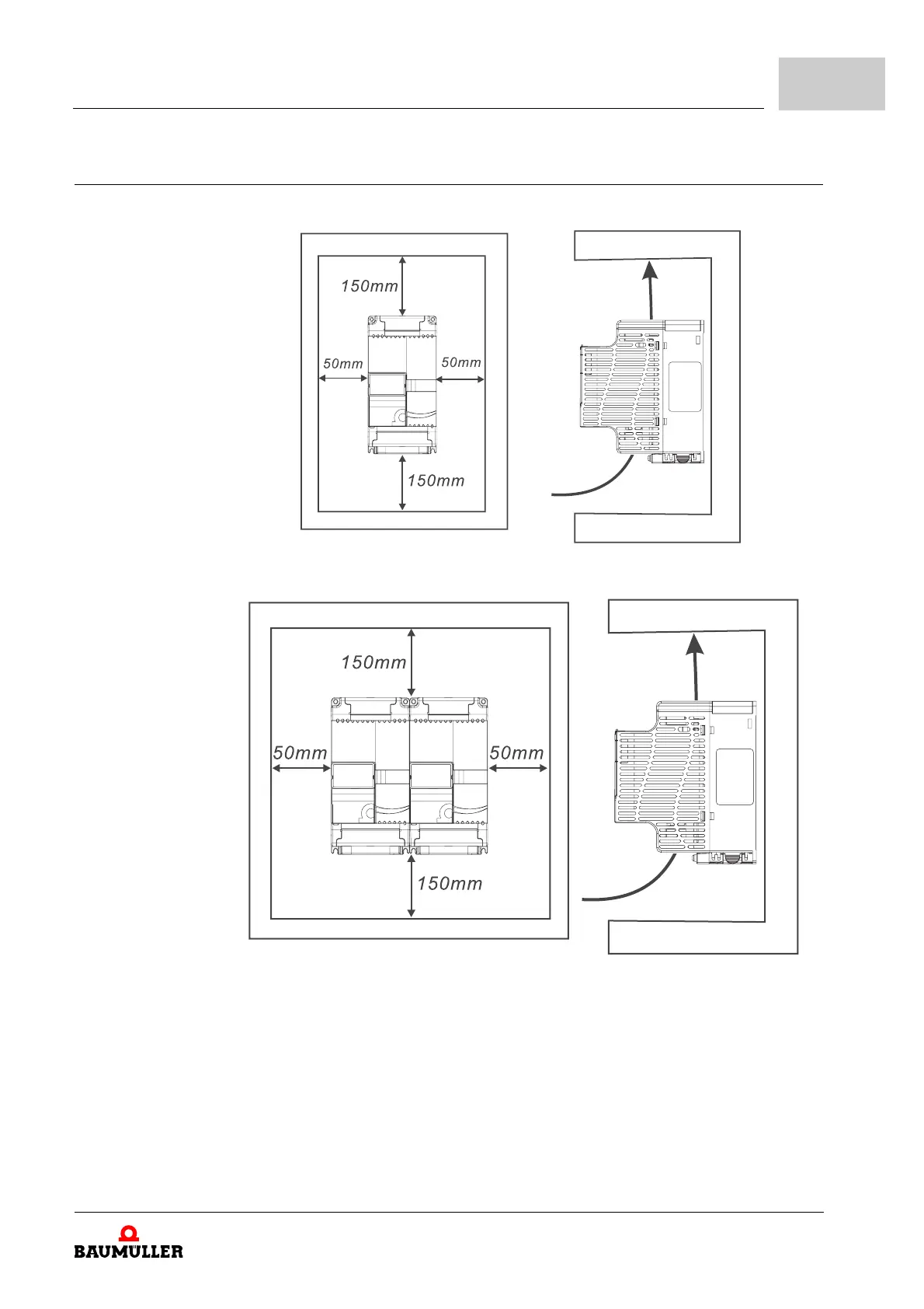
5.4.2 Installation space frame 2 and 3
Option 1 (-10 to +50°C)
Option 2 (-10 to +40°C)
Figure 15: Installation space frame 2 and 3
Air flow
Air flow

Table of Contents

Related product manuals