EasyManua.ls Logo

Baumuller b maXX BM1000 - Connecting Main Terminals; Mains Terminals Connections 1

Baumuller b maXX BM1000
176 pages
Print Icon
To Next Page IconTo Next Page
To Next Page IconTo Next Page
To Previous Page IconTo Previous Page
To Previous Page IconTo Previous Page
Loading...
Installation
Manual b maXX
®
BM1000
Document No. 5.07003.04
57
of 174
6
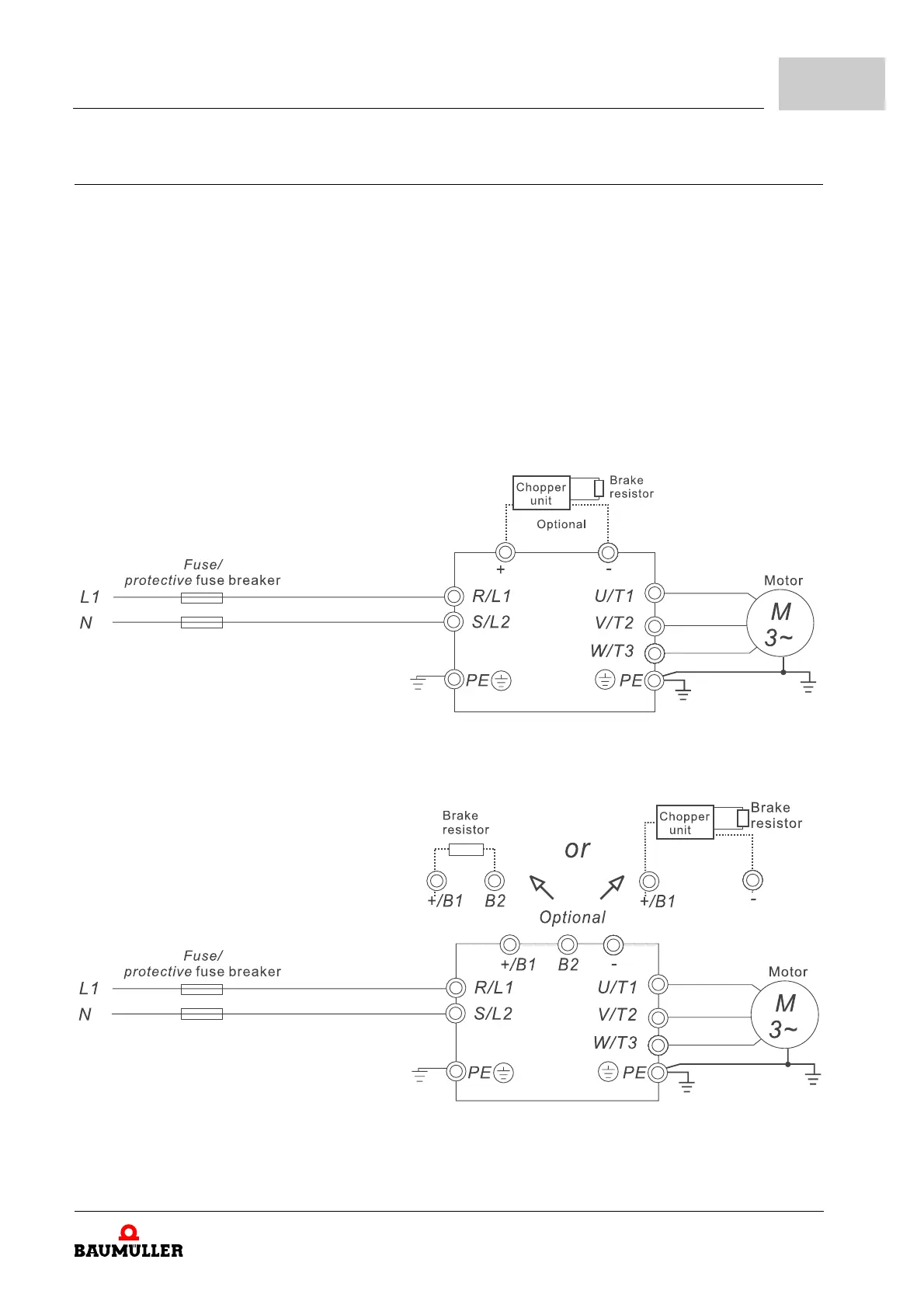
6.10.2 Connecting main terminals
m Frame 1 (BM1211, BM1212, BM1213, BM1412, BM1413, BM1414):
No built-in chopper unit:
Optional use of chopper unit and braking resistor necessary (refer to ZB.1.2 Chopper
units BM1-BTEfrom page 121 and ZB.1.3 Dimensions and weights for braking
resistorsfrom page 127).
m Frame 2 and 3 (BM1224, BM1225, BM1425, BM1426, BM1437, BM1438, BM1439):
Built-in chopper unit:
Optional connection of a suitable braking resistor (see ZB.1.3 Dimensions and
weights for braking resistorsfrom page 127) possible.
If the motor generates additional regeneration energy a further chopper unit with brak-
ing resistor can be connected.
m BM1211, BM1212, BM1213 (Frame 1)
Figure 26: Mains terminals connections 1
m BM1224, BM1225 (Frame 2)
Figure 27: Mains terminals connections 2

Table of Contents

Related product manuals