EasyManua.ls Logo

BELL HELICOPTER BELL 430 - RADAR ALTIMETER

Default Icon
276 pages
Print Icon
To Next Page IconTo Next Page
To Next Page IconTo Next Page
To Previous Page IconTo Previous Page
To Previous Page IconTo Previous Page
Loading...
192
THIS IS AN UNCONTROLLED DOCUMENT.
THIS ELECTRONIC DOCUMENT MAY HAVE BEEN SUPERCEDED.
THE MOST CURRENT DOCUMENT INFORMATION IS AVAILABLE
FROM YOUR BELL HELICOPTER TEXTRON REPRESENTATIVE.
PRODUCT DATA JANUARY 2003
RADAR ALTIMETER
NO. 430-705-502-XXX[E/M-skids]
No. 430-705-502-XXY[E/M-wheels]
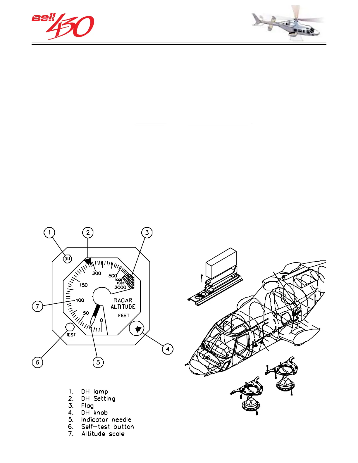
The Radar Altimeter System provides an absolute altitude display (height above the
GROUND) from 0 to 2000 feet. The Radar Altimeter [EFIS] is included for IFR
configurations equipped withh
KFC-500 and FLIGHT DIRECTOR. The King KRA-405B
system includes the remote mounted transmitter/receiver unit, two KA- 54 antennas,
and the KNI-416 indicator. The instrument features a red OFF flag, a TEST button, a
decision height (DH) adjust knob, a DH indicator light (white), and a indicator needle
for altitude, with a DH bug (decision height select indicator). The weight increase with
the Radar Altimeter E/M kit installed is 7.3 kilograms (16.0 pounds).

Table of Contents

Related product manuals