EasyManua.ls Logo

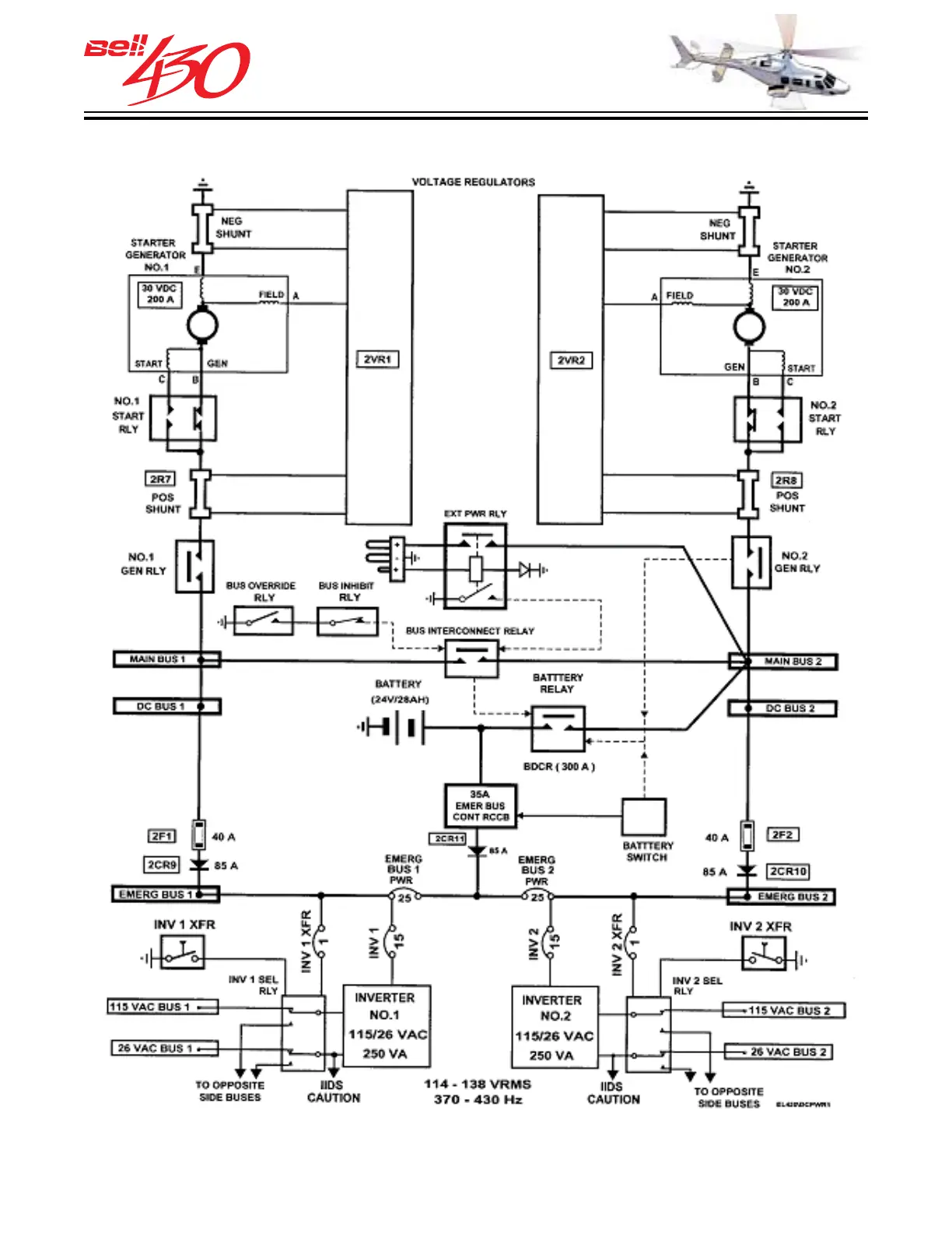
BELL HELICOPTER BELL 430 - ELECTRICAL POWER DISTRIBUTION SCHEMATIC

Default Icon
276 pages
Print Icon
To Next Page IconTo Next Page
To Next Page IconTo Next Page
To Previous Page IconTo Previous Page
To Previous Page IconTo Previous Page
Loading...
73
THIS IS AN UNCONTROLLED DOCUMENT.
THIS ELECTRONIC DOCUMENT MAY HAVE BEEN SUPERCEDED.
THE MOST CURRENT DOCUMENT INFORMATION IS AVAILABLE
FROM YOUR BELL HELICOPTER TEXTRON REPRESENTATIVE.
PRODUCT DATA JANUARY 2003
ELECTRICAL POWER DISTRIBUTION SCHEMATIC

Table of Contents

Related product manuals