EasyManua.ls Logo

BELL HELICOPTER BELL 430 - HYDRAULIC SYSTEM SCHEMATIC

Default Icon
276 pages
Print Icon
To Next Page IconTo Next Page
To Next Page IconTo Next Page
To Previous Page IconTo Previous Page
To Previous Page IconTo Previous Page
Loading...
39
THIS IS AN UNCONTROLLED DOCUMENT.
THIS ELECTRONIC DOCUMENT MAY HAVE BEEN SUPERCEDED.
THE MOST CURRENT DOCUMENT INFORMATION IS AVAILABLE
FROM YOUR BELL HELICOPTER TEXTRON REPRESENTATIVE.
PRODUCT DATA JANUARY 2003
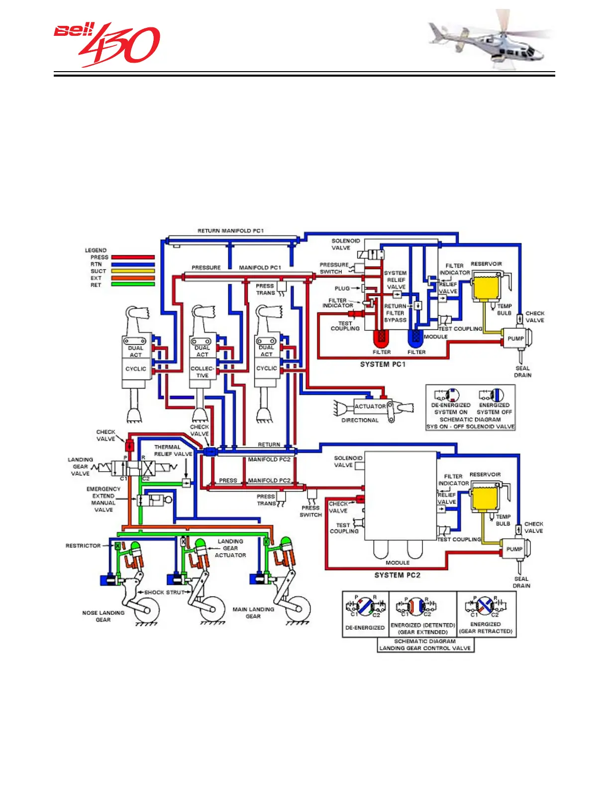
HYDRAULIC SYSTEM SCHEMATIC
[ WHEEL LANDING GEAR CONFIGURATION SHOWN FOR EXAMPLE ONLY
- STANDARD SKID LANDING GEAR CONFIGURATION INCLUDES
PROVISION TO ADD WHEEL SUBSYSTEM ]

Table of Contents

Related product manuals