EasyManua.ls Logo

BRP E-TEC EVINRUDE - Page 132

BRP E-TEC EVINRUDE
364 pages
Print Icon
To Next Page IconTo Next Page
To Next Page IconTo Next Page
To Previous Page IconTo Previous Page
To Previous Page IconTo Previous Page
Loading...
132
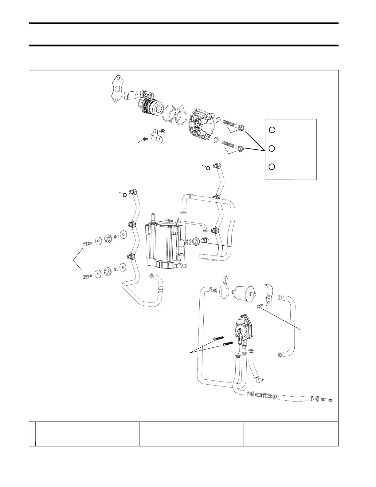
Fuel System
Service Chart
3-Cylinder Models: Injectors, Vapor Separator, Fuel Pump
002154B
F
24-36 in. lbs.
(2.7-4.0 N·m)
24-36 in. lbs.
(2.7-4 N·m)
60-84 in. lbs
(7-9.5 N·m)
60-84 in. lbs
(7-9.5 N·m)
H
S
F
60-84 in. lbs
(7-9.5 N·m)
A
A
5 ft. lbs.
(7 N·m)
24-26 Ft. lbs.
(33-35 N·m)
10 ft. lbs.
(14 N·m)
1
2
3
H
002154
Tighten in 3 stages
A Triple-Guard Grease
B Gasket Sealing Compound
C Adhesive 847
E Red Ultra Lock
F Blue Nut Lock
H Outboard Engine Lubricant
S STP
Oil Treatment
X see Service Manual

Table of Contents

Related product manuals