EasyManua.ls Logo

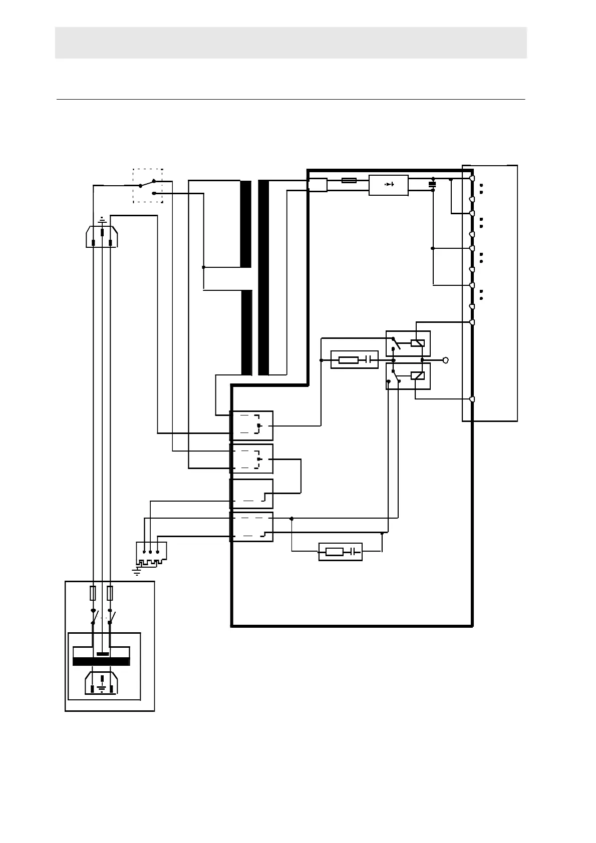
Bruker B-ACS 60 - Power Supply Box; Figure 11.36.Power Supply Box Wiring Diagram

Bruker B-ACS 60
167 pages
To Next Page IconTo Next Page
To Next Page IconTo Next Page
To Previous Page IconTo Previous Page
To Previous Page IconTo Previous Page
Loading...
104 (167) BRUKER Installation Manual Version 001
Circuit Diagrams
Power Supply Box 11.6.1
Figure 11.36.Power Supply Box Wiring Diagram
230VAC^
L2
B-ACS RELAY/RECTIFIER
BOARD H5P2393
230
11 5 V
Br own
Br own
Black1
Black
Chassis
GND
Gre
Whi te
Blue
BOTTOM PANEL
Filter
Fuse SB
230V 0,4A
Yellow Right
Left
Motor
Connector
Front View
Brow
X6
~
~
+
-
1
4
23
26
7
10
17
20
MAMA 11
DRUM 14
+35V
X3
X2
X5
X4
Bl ue
Blue
230VAC L1
FUSE 5x20MM
T2.5A/230V
35V
RL2
RL1
PS MOT
CONTR.
X1

Table of Contents