EasyManua.ls Logo

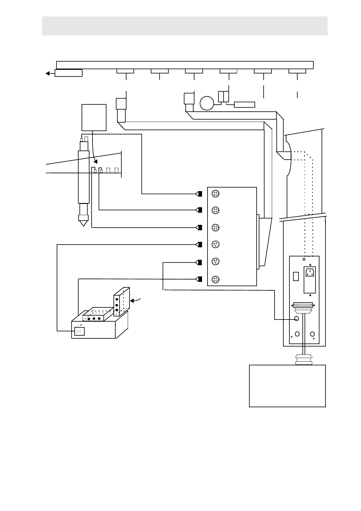
Bruker B-ACS 60 - Figure 11.31.Connections for Operation of the RS232 C

Bruker B-ACS 60
167 pages
To Next Page IconTo Next Page
To Next Page IconTo Next Page
To Previous Page IconTo Previous Page
To Previous Page IconTo Previous Page
Loading...
B-ACS RS232C Serial Link
Installation Manual Version 001 BRUKER 97 (167)
Figure 11.31.Connections for Operation of the RS232C
VERT
HO
HORPOS
POSIG
LISH
LIMA
1
2
3
4
1
2
3
2
5
6
B-ACS
120 ONLY
1
Vertical
Pneumatic
Cylinder
Horizontal
Pneumatic
Cylinder
Valve
SI 131 A
BACS12
0 ONLY
Sensor Connector
Assembly
4
Light Barrier
at
the
Magazine
Active
Terminator
SIOA
Board
POWER
ON
REMOTE CONTROL
LISH 5
SAMPLE
LIFT
AIR
INLET
FUSE
2x0,4AS
8
8
HOST
COMPUTER
Male
Male
RS232C
MOTHERBOARD
B-ACS
120 ONLY
CONTR
Interface
Code
Display
SIO
CD
DSP
CPU
Power
Supply
6
Barcode
Detection
Board
(Optional)
To Valves
Control Board
RS232C Cable
26 Way Flat Cable
26 Way Flat Cable
Sensor
C

Table of Contents